The evaluation of total power factor components under non-sinusoidal conditions of industrial power supply systems with linear and nonlinear load
- Authors: Sychev Y.A.1, Aladyin M.E.1, Kholodovich U.A.1, Serikov V.A.1
-
Affiliations:
- St. Petersburg Mining University of Empress Catherine II
- Issue: Vol 19, No 4 (2023)
- Pages: 161-168
- Section: POWER INDUSTRY
- Published: 01.12.2023
- URL: https://vestnikugrasu.org/byusu/article/view/635217
- DOI: https://doi.org/10.18822/byusu202304161-168
- ID: 635217
Cite item
Full Text
Abstract
Subject of research: power quality indicators, non-sinusoidal modes in power supply systems.
Purpose of research: assessment of power factor components under non-sinusoidal modes for the conditions of industrial power supply systems with linear and nonlinear loads.
Methods and objects of research: simulation modeling of electrical systems in the Matlab Simulink environment, analysis of complex non-sinusoidal modes.
Main results of research: а computer simulation model of an industrial power supply system with linear and nonlinear loads, as well as the presence of harmonic distortions from the supply network, has been developed. The dependences of the power factor components in non-sinusoidal modes on variations in the resistance of the power system and the length of the supply line connecting the source and the load node were obtained.
Keywords
Full Text
Введение
Актуальность проблемы обеспечения качества электрической энергии обоснована и раскрыта во многих отечественных и зарубежных публикациях [1, 2]. Ненадлежащий уровень качества электроэнергии связан с возникновением несинусоидальных режимов, обусловленных наличием высших гармоник, как со стороны питающей сети, так и со стороны подключенной нагрузки. Это приводит к росту потерь в элементах энергосистем и электрооборудовании, ложному срабатыванию систем релейной защиты, сокращению срока службы электроустановок. Основными показателями качества электроэнергии согласно ГОСТ 32144-2013 являются суммарный коэффициент гармонических составляющих напряжения и коэффициенты n-ых гармонических составляющих напряжения [3], при этом аналогичные показатели по току не нормируются, в отличие от международной нормативной базы [2, 3].
При применении различных технических средств и решений, направленных на обеспечения качества электроэнергии, включая пассивные, активные и гибридные фильтрокомпенсирующие устройства, оценка эффективности их работы производится, как правило, по степени снижения суммарных коэффициентов гармонических составляющих напряжения и коэффициентов n-ых гармонических составляющих напряжения. Однако эффективность активных и гибридных фильтров, являющихся многофункциональными устройствами повышения качества электроэнергии, должна оцениваться также по ряду дополнительных показателей, к числу которых относятся составляющие коэффициента мощности при несинусоидальных режимах. Помимо этого указанные устройства могут быть использованы для компенсации реактивной мощности, которая при несинусоидальных режимах создается как на частоте основной составляющей, так и на частоте высших гармоник. В последнем случае подобные составляющие в отечественной и зарубежной научно-технической литературе принято именовать неактивными составляющими полной мощности [2]. Кроме того, вариация составляющих коэффициента мощности может служить косвенным показателем эффективности работы фильтрокомпенсирующих устройств различной структуры и алгоритмов управления, а также причины и характера возникновения несинусоидального режима.
Результаты и обсуждение
Известно следующее выражение для определения составляющих коэффициента мощности λ при несинусоидальных режимах [4, 5]:
(1)
где: λ1 – коэффициент мощности по первой гармонике (cosφ1), kS = S1/S – коэффициент, отражающий степень завышения полной мощности S сетевого оборудования из-за потерь, обусловленных возникновением высших гармоник, относительно полной мощности основной составляющей S1; kh – коэффициент, отражающий наличие неактивных составляющих полной мощности из-за присутствия высших гармоник тока и напряжения.
При этом вариация коэффициента λ1 отражает степень эффективности компенсации реактивной мощности по основной составляющей [6], коэффициента kS – степень снижения потерь в элементах системы электроснабжения по результатам компенсации высших гармоник [7], коэффициента kh – степень эффективности компенсации высших гармоник различными фильтрокомпенсирующими устройствами [8].
В рамках проведенного исследования рассматривались следующие пути формирования несинусоидальных режимов:
- подключение линейной и нелинейной нагрузок к питающей сети без искажений напряжения;
- подключение линейной и нелинейной нагрузок к питающей сети с искажениями напряжения;
- подключение нелинейной нагрузки к питающей сети без искажений напряжения;
- подключение линейной нагрузки к питающей сети с искажениями напряжения;
- подключение нелинейной нагрузки к питающей сети с искажениями напряжения.
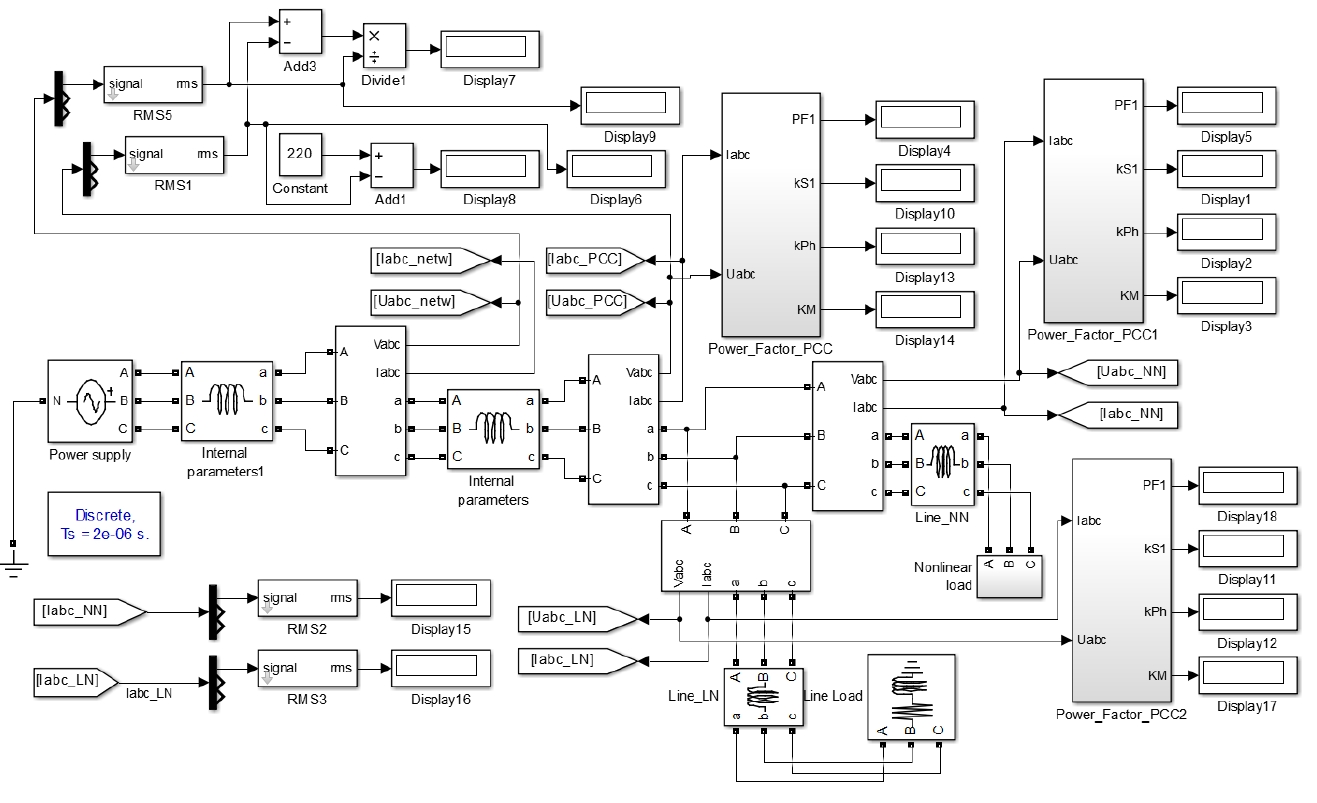
Разработана компьютерная имитационная модель промышленной системы электроснабжения с нелинейной и линейной нагрузками в среде Simulink системы Matlab. Упрощенная структура указанной модели приведена на рисунке 1, детальная структура в среде Simulink системы Matlab представлена на рисунке 2.
Рисунок 1 – Упрощенная структура имитационной модели промышленной системы электроснабжения с линейной и нелинейной нагрузками (ТОП – точка общего присоединения, НН – нелинейная нагрузка, ЛН – линейная нагрузка)
Рисунок 2 – Имитационная модель промышленной системы электроснабжения с линейной и нелинейной нагрузками
При имитационном моделировании упомянутых выше путей формирования несинусоидальных режимов были приняты следующие основные допущения и ограничения [9, 10]:
- питающая сеть представлена в виде источника напряжения с возможностью генерации высших гармоник с внутренним индуктивным сопротивлением Xс;
- линейная нагрузка представлена в виде активно-индуктивного сопротивления;
- нелинейная нагрузка представлена в виде неуправляемого диодного выпрямителя с активно-индуктивной нагрузкой на стороне постоянного тока;
- питающая линия от источника до узла нагрузки представлена в виде индуктивного сопротивления Xл;
- вариация внутреннего сопротивления питающей сети Xс производилась с учетом допустимого уровня отклонения напряжения на источнике и нагрузке (не более ±10 % согласно требованиям ГОСТ 32144-2013);
- линейная и нелинейная части узла нагрузки приняты одинаковой мощности (токи линейной и нелинейной нагрузки одинаковы);
- линии, идущие от точки общего присоединения к линейной и нелинейной нагрузке, приняты одинаковой длины с учетом допустимой потери напряжения (не более 5 %);
- вариация внутреннего сопротивления питающей сети Xс осуществлялась в относительных единицах, при этом за базис принято сопротивление энергосистемы бесконечной мощности.
На рисунках 3-6 приведены графики зависимостей составляющих коэффициента мощности от вариации внутреннего сопротивления питающей сети Xс и длины питающей линии от источника до узла нагрузки, влияющей на уровень потерь напряжения в линии. Данные зависимости получены для наиболее распространенного несинусоидального режима, при котором присутствует линейная и нелинейная нагрузки, а также искажения со стороны питающей сети. Для остальных режимов – закономерности аналогичные.
Рисунок 3 – Зависимости λ1 от Xс при вариации Xл в соответствии с различными уровнями потерь напряжения dU
Рисунок 4 – Зависимости kS от Xс при вариации Xл в соответствии с различными уровнями потерь напряжения dU
Рисунок 5 – Зависимости kh от Xс при вариации Xл в соответствии с различными уровнями потерь напряжения dU
Рисунок 6 – Зависимости λ от Xс при вариации Xл в соответствии с различными уровнями потерь напряжения dU
По результатам имитационного моделирования выявлены следующие особенности и закономерности, характеризующие различные пути формирования несинусоидальных режимов:
- изменение длины питающей линии до узла нагрузки (уровень потерь напряжения) оказывает более существенное влияние на составляющие коэффициента мощности, нежели вариация внутреннего сопротивления питающей сети;
- во всех исследуемых режимах на зажимах узла нагрузки (в точке общего присоединения) коэффициент kh принимает отрицательные значения, при этом на зажимах линейной и нелинейной нагрузки он может менять знак;
- в области малых значений потерь напряжения (длина питающей линии незначительна) при наличии линейной и нелинейной нагрузок, как при отсутствии, так и наличии искажений со стороны питающей сети коэффициент kh принимает отрицательные значения на зажимах линейной нагрузки и положительные значения на зажимах нелинейной нагрузки;
- также в области малых значений потерь напряжения (длина питающей линии незначительна) при наличии искажений со стороны питающей сети и присутствии только линейной нагрузки коэффициент kh принимает отрицательные значения, аналогичная ситуация справедлива и для другого режима, когда присутствует только нелинейная нагрузка, а искажения со стороны сети отсутствуют;
- положительные значения kh приводят к увеличению суммарного коэффициента мощности согласно выражению (1), а отрицательные – к его снижению, однако практически во всех исследуемых режимах суммарный коэффициент мощности на зажимах нелинейной нагрузки меньше аналогичного значения на зажимах линейной нагрузки и в точке общего присоединения.
Заключение и выводы
Полученные закономерности и выявленные особенности необходимо учитывать при обосновании выбора того или иного технического средства или решения по компенсации высших гармоник, включая параллельные и последовательные активные фильтры, гибридные фильтрокомпенсирующие устройства, статические компенсаторы реактивной мощности (СТАТКОМ), динамические компенсаторы искажения напряжения [11, 12].
Предметом дальнейших исследований является оценка влияния фильтрокомпенсирующих устройств различной структуры, в частности, параллельных и последовательных активных фильтров, а также гибридных фильтров на составляющие коэффициента мощности при несинусоидальных режимах [13, 14].
Исследования, приведенные в данной статье, выполнены в рамках реализации гранта МД 1536.2022.4 «Создание систем комбинированного электроснабжения для особо ответственных технологических и стратегических объектов».
About the authors
Yuri A. Sychev
St. Petersburg Mining University of Empress Catherine II
Author for correspondence.
Email: ya_sychev@mail.ru
Doctor of Technical Sciences, Professor of the Department of Electrical Power Engineering and Electromechanics
Russian Federation, Saint-PetersburgMaxim E. Aladyin
St. Petersburg Mining University of Empress Catherine II
Email: m.aladyin@gmail.com
postgraduate student of the Department of Electrical Power Engineering and Electromechanics
Russian Federation, Saint-PetersburgUlyana A. Kholodovich
St. Petersburg Mining University of Empress Catherine II
Email: s200311@stud.spmi.ru
Russian Federation, Saint-Petersburg
Vladimir A. Serikov
St. Petersburg Mining University of Empress Catherine II
Email: serikov.va@bk.ru
Candidate of Technical Sciences, Assistant at the Department of Electrical Power Engineering and Electromechanics
Russian Federation, Saint-PetersburgReferences
- Ляхомский, А. В. Анализ гармонического состава напряжения в подземных электриче-ских сетях высокопроизводительных угольных шахт / А. В. Ляхомский, Л. А. Плащан-ский, С. Н. Решетняк, М. Ю. Решетняк. – Текст : непосредственный // Промышленная энергетика. – 2021. – № 10. – С. 32–41.
- Осипов, Д. С. Алгоритм расчета потерь мощности, обусловленных высшими гармони-ками и интергармониками на основе вейвлет-преобразования / Д. С. Осипов, А. Г. Лю-таревич, В. А. Ткаченко, Ч. Ю. Логунова. – Текст : непосредственный // Вестник Южно-Уральского государственного университета. Серия: Энергетика. – 2023. – Т. 23, № 1. – С. 38–47.
- Бабокин, Г. И. Исследование качества электроэнергии очистного забоя угольной шахты / Г. И. Бабокин, Ю. В. Шевырёв, Н. Ю. Шевырева. – Текст : непосредственный // Горный журнал. – 2021. – № 7. – С. 80–85.
- Сычев, Ю. А. К вопросу о способе определения коэффициента мощности при несинусо-идальных режимах / Ю. А. Сычев, М. С. Ковальчук, А. В. Кривенко, В. А. Сериков. – Текст : непосредственный // Известия Тульского государственного университета. Техни-ческие науки. – 2021. – № 5. – С. 473–482.
- Sychev Y. A., Aladin M. E., Abramovich B. N. The method of power factor calculation under non-sinusoidal conditions. В сборнике: Proceedings of the 2020 IEEE Conference of Russian Young Researchers in Electrical and Electronic Engineering, EIConRus 2020. 2020. С. 904-908.
- Осипов, Д. С. Идентификация резонансных режимов при наличии нелинейных нагру-зок в системах электроснабжения промышленных предприятий / Д. С. Осипов, В. Н. Го-рюнов, Д. В. Коваленко. – Текст : непосредственный // В сб.: Ученые Омска – региону. Материалы IV Региональной научно-технической конференции. – 2019. – С. 42–47.
- Ощепков, В. А. Расчет резонансных режимов систем электроснабжения и разработка мероприятий по фильтрации высших гармоник / В. А. Ощепков, Д. С. Осипов, Д. В. Ко-валенко, Б. Ю. Киселёв. – Текст : непосредственный // Промышленная энергетика. – 2018. – № 9. – С. 10–16.
- Шевырев, Ю. В. Обоснование схемы активного фильтра гармоник на основе гибридно-го каскадного инвертора / Ю. В. Шевырев, До Тхань Лич. – Текст : непосредственный // Вестник Южно-Уральского государственного университета. Серия: Энергетика. – 2021. – Т. 21, № 2. – С. 105–114.
- Шевырева, Н. Ю. Актуальные аспекты обеспечения качества электроэнергии на откры-тых горных работах / Н. Ю. Шевырева, Ю. В. Шевырёв, А. В. Пичуев. – Текст : непо-средственный // В сб.: Пром-Инжиниринг: труды VI Всероссийской научно-технической конференции. – Челябинск, 2020. – С. 246–251.
- Гуляев, И. В. Результаты экспериментальных исследований системы активной фильтра-ции электроэнергии / И. В. Гуляев, Е. В. Бычков, Р. Б. Туганов. – Текст : непосредствен-ный // Автоматизация и IT в энергетике. – 2023. – № 5 (166). – С. 6–14.
- Дюдяков, А. А. Анализ эффективности работы гибридного фильтра в условиях ухуд-шенного качества электроэнергии питающей сети / А. А. Дюдяков, С. А. Янченко. – Текст : непосредственный // В сб.: Фёдоровские чтения – 2022. LII Всероссийская науч-но-практическая конференция с международным участием, с элементами научной шко-лы для молодежи. – 2022. – С. 167–175.
- Дюдяков, А. А. Разработка экспериментального прототипа параллельного активного фильтра / А. А. Дюдяков, С. А. Янченко // В сб.: Фёдоровские чтения – 2021. LI между-народная научно-практическая конференция с элементами научной школы. – 2021. – С. 231–239.
- Байков, Д. В. Анализ способов обеспечения параллельной работы преобразователей ча-стоты / Д. В. Байков, И. В. Гуляев, Д. Ю. Теплухов. – Текст : непосредственный // Элек-тротехника. – 2020. – № 1. – С. 9–17.
- Ляхомский, А. В. Разработка высоковольтного устройства автоматизированного мони-торинга качества электрической энергии в подземных сетях угольных шахт / А. В. Ля-хомский, Л. А. Плащанский, С. Н. Решетняк, М. Ю. Решетняк. – Текст : непосредствен-ный // Горный информационно-аналитический бюллетень (научно-технический жур-нал). – 2019. – № 7. – С. 207–213.
Supplementary files









