Influence of temperature-time conditions of polymer pipes welding at low temperatures on the structure and properties of materials of joints part ii. Experimental studies
- Authors: Nikolaeva M.A.1, Danzanova E.V.1, Starostin N.P.1
-
Affiliations:
- Institute of Oil and Gas Problems SB RAS
- Issue: Vol 19, No 4 (2023)
- Pages: 120-132
- Section: New materials and technology
- Published: 01.12.2023
- URL: https://vestnikugrasu.org/byusu/article/view/635202
- DOI: https://doi.org/10.18822/byusu202304120-132
- ID: 635202
Cite item
Full Text
Abstract
Subject of research: the process of a supramolecular structure formation in the heat-affected zone (HAZ) depending on the temperature-time conditions implemented in the welding process at various air temperatures.
Purpose of research: establishing the effectiveness of the proposed technology for welding saddles to polyethylene pipes of gas pipelines at ambient temperatures below those established by regulatory documents for welding work based on a study of the relationship between temperature and time conditions, the structure and properties of materials of welded joints.
Methods and objects of research: in the second part of the work, the object of study is the process of obtaining a strong welded joint by welding a saddle branch to a polyethylene pipe of an existing gas pipeline at low temperatures. The strength of the connection is established by tensile pull tests of the welded saddles. The formation of supramolecular structures is studied by analyzing the kinetics of crystallization of melts based on the data of a differential scanning calorimeter and visualizing the formations with a scanning electron microscope.
Main results of research: it has been established that when welding saddles to polyethylene pipes of existing gas pipelines at low temperatures by preheating, equalizing temperatures with design parameters, heating in a regulated mode, and cooling under a layer of heat-insulating material of calculated thickness, a temperature-time regime is implemented that determines the structure formation of the material of the welded joint, providing the strength of the connection corresponding to welding at acceptable temperatures.
Full Text
Введение
На температурно-временной режим сварки полиэтиленовых труб и формирование надмолекулярной структуры материала сварного соединения кроме температуры окружающего воздуха (ОВ) существенное влияние оказывает скрытая теплота фазового перехода. Фазовый переход в термопластах происходит в двухфазной зоне, ограниченной изотермами с определенными температурами. В процессе нагрева и охлаждения границы двухфазной зоны движутся. В двухфазной зоне вещество находится как в твердой, так и в жидкой фазе. Изменяющееся во времени соотношение между твердой и жидкой фазой характеризуется степенью кристалличности. В первой части работы динамика температурного поля приварки седлового отвода к полиэтиленовой трубе определялась с учетом теплоты фазового перехода в интервале температур и изменения теплофизических свойств свариваемого материала от температуры и степени кристалличности [1].
Физико-механические свойства материала сварного соединения зависят от степени кристалличности, формы и размеров надмолекулярных образований. Зарождение и рост кристаллических образований напрямую зависят от скорости остывания расплава. Известно, что при низкой температуре ОВ высокая скорость охлаждения способствует образованию большого количества центров кристаллизации, рост которых замедлен, и формируется мелкокристаллическая структура, обуславливающая пластичность материала сварного шва [2]. При высокой температуре ОВ скорость охлаждения замедляется, и в зоне термического влияния (ЗТВ) формируется крупнокристаллическая структура, обуславливающая хрупкость материала.
Результаты и обсуждение
Приварка седлового отвода к полиэтиленовым трубам при низких температурах
Реализация определенной динамики температурного поля и, соответственно, кинетики кристаллизации приводит к формированию надмолекулярных структур материалов ЗТВ и сварного шва, при которых прочность соединения не уступает по прочности основному материалу трубы. Нами принято предположение, что существующие режимы сварки полиэтиленовых труб при допустимых температурах окружающего воздуха (от -10 до 40 °С) создают условия протекания теплового процесса в ЗТВ, при которых кинетика кристаллизации приводит к формированию в соединении структуры материала, обеспечивающей 0,85-0,9 прочности основного материала. В связи с этим, расчетным путем было показано, что при температурах ОВ ниже -10 °С предварительным подогревом и использованием слоя теплоизоляционного материала можно обеспечить протекание теплового процесса по закономерности близкой динамике температурных полей при допустимой для сварки температуре ОВ.
Для подтверждения выдвинутой гипотезы и исследования взаимосвязи структуры и прочности шва выполнялась приварка седловых отводов к полиэтиленовым трубам при низких температурах с параметрами, полученными расчетами по разработанной методике [1]. Приварка седловых отводов d 110/63 и d 63/63 из ПЭ100 к полиэтиленовым трубам ПЭ100 SDR 11 диаметром 110 и 63 мм проводилась на открытом воздухе в условиях низких температур, характерных для г. Якутска в ноябре месяце.
Для выполнения приварки седлового отвода d 110/63 расчетами получена рекомендуемая толщина слоя теплоизоляционного материала (пенофол), равная 2 см. Расчетами также получено напряжение для подогрева, равное 12 В во всем рассматриваемом интервале температур, что соответствует мощности ⁓40 Вт для данного нагревателя.
При неизменной продолжительности выравнивания температур, равной 240 с, зависимость продолжительности предварительного подогрева tподогрев от температуры окружающего воздуха ТОВ для приварке седлового отвода в интервале температур от -35 до -25 ℃ описывается формулой:
(1)
Подогрев седлового отвода d 110/63 при температуре воздуха -35 °С в рекомендуемых нормативными документами теплых укрытиях, например, с температурой 20 °С, осуществляется по расчетам примерно за 2,75 часа. Таким образом, затраты времени на сварное соединение составят около 3 часов, по предлагаемой технологии – не более 50 минут.
Сборка свариваемых деталей проводилась согласно СП 42-103-2003 «Проектирование и строительство газопроводов из полиэтиленовых труб и реконструкция изношенных газопроводов» в следующей последовательности: разметка места приварки отвода на трубе; зачистка поверхности трубы в месте приварки отвода с помощью цикли; обезжиривание привариваемой поверхности отвода; установка отвода на трубу; механическое прикрепление с помощью специального зажима и подключение к контактным клеммам токоподвода сварочных кабелей. Для снижения потерь тепла при выполнении всех операций и обеспечения требуемой скорости остывания на сварное соединение была установлена теплоизоляция из вспененного полиэтилена толщиной 20 мм.
Во время сварочных работ нагретым воздухом в трубе имитировалось движение газа со скоростью 10 м/с. Имитация потока газа осуществлялась подключением установки для создания пониженного давления внутри трубы на одном конце трубы и тепловой камеры с температурой воздуха -6 °С на другом (рисунок 1).
Рисунок 1 – Схема имитации движения газа в трубе
После сборки соединения производился предварительный подогрев закладным нагревателем и выдержка для выравнивания температур с параметрами, рассчитанными по формуле (1). Предварительный подогрев сварного соединения до максимальной температуры 55 °С осуществлялся путем подачи на клеммы нагревателя седлового отвода напряжения 12 В от сварочного аппарата HORNER HCU300 в течение 576 секунд. Время выдержки для выравнивания температуры в стенках свариваемых деталей до 20 °С составило 240 с.
После выравнивания температур производилась стандартная сварка аппаратом HORNER HCU300 как при комнатной температуре. Сварочное напряжение 39,5 В, время нагрева 83 сек. Охлаждение сварного соединения проходило под слоем теплоизоляции в течение 15 мин.
Были получены образцы сварных соединений, выполненных по следующим режимам:
- Режим 1: Стандартная сварка при комнатной температуре;
- Режим 2: Сварка при низких температурах окружающего воздуха (ниже минус 10 °С), предварительный подогрев и выдержка для выравнивания температур. Все операции, включая нагрев и охлаждение, выполнялись под слоем теплоизоляции;
- Режим 3: Сварка при низких температурах окружающего воздуха (ниже минус 10 °С без подогрева и теплоизоляции с параметрами приварки для допустимой температуре ОВ).
Контроль качества сварных соединений
Для контроля качества седловых отводов среди обязательных методов предусмотрены внешний осмотр и испытания на отрыв при растяжении. Внешний вид полученных сварных соединений отвечал всем требованиям нормативных документов. При испытаниях на отрыв сварное соединение подвергается испытанию целиком и продолжается до полного отделения седлового отвода от трубы. В результате испытания соединения излом в месте сварки седлового отвода с трубой должен иметь полностью или частично пластичный характер разрушения по замкнутому периметру сварного шва. Хрупкое разрушение не допускается. В процессе проведения испытаний фиксируется также разрушающая нагрузка. Длина полиэтиленовой трубы (патрубка) принимается равной длине отвода. Перед испытанием образцы кондиционируют при температуре (23 ± 2) °С не менее 2 ч. Испытания проводились при температуре (23 ± 2) °С по схеме, утвержденной в установленном порядке в СП 42-103-2003 и обеспечивающей приложение нагрузки согласно рисунку 2. Внутрь полиэтиленового патрубка испытываемого образца для передачи усилия вводился металлический сердечник. Нагружение испытываемого образца проводилось со скоростью (20±2) мм/мин до полного отрыва корпуса седелки от полиэтиленовой трубы или до деформации деталей узла соединения, вследствие чего испытательная нагрузка снижалась до нуля. Испытания проводились на универсальной электромеханической машине «Zwick Z600E» (Германия).
Рисунок 2 – Схема испытания седлового отвода на отрыв при растяжении
На рисунке 3 приведены образцы после испытаний на отрыв. Видно, что разрушение имеет пластичный характер.
Рисунок 3 – Образцы сварных соединений ПЭ100 SDR 11 d110/63 после испытаний на отрыв при растяжении: а) режим 1; б) режим 2; в) режим 3
Результаты испытаний на отрыв при растяжении образцов сварных соединений приведены в таблице. Видно, что разрушающая нагрузка сварных соединений, полученных при минус 28 °С по предлагаемой технологии (Режим 2), ниже на ⁓5 % для d 110/63, а для d 63/63 практически равна значению разрушающей нагрузки соединений, полученных при допустимых температурах стандартной сваркой.
Таблица – Среднее значение разрушающей нагрузки в Н
Режимы сварки | Режим 1, ТОВ = 23 °С | Режим 2, ТОВ = – 28 °С | Режим 3, ТОВ = – 28 °С |
ПЭ100 SDR11, d 110/63 | 23208,3 | 22275,5 | 16,559,1 |
ПЭ100 SDR11, d 63/63 | 9785,8 | 9917,3 | 6982,2 |
Контроль качества сварки испытаниями на отрыв показали эффективность разработанного способа приварки седлового отвода к полиэтиленовым трубам при низких температурах окружающего воздуха.
Кроме проверки качества были проведены дополнительные исследования материала полученных сварных соединений: методом дифференциальной сканирующей калориметрии (ДСК) и электронной микроскопии.
ДСК исследования материала сварных соединений
Образцы сварных седловых соединений были исследованы с помощью калориметра «Netzsch DSC 204 HP Phoenix». Образцы брались из области соединений с размерами, равными зоне термического влияния (ЗТВ) сварных соединений, выполненных при стандартной сварке в комнатных условиях. Границы ЗТВ определялись расчетным путем. Внешняя граница ЗТВ представляет огибающую семейства изотерм 121°С в различные моменты времени с начала охлаждения с максимально удаленными от нагревателя точками. Внешняя граница формируется примерно через 3 минуты после начала охлаждения. С другой стороны ЗТВ граничит с зоной сплавления, граница которой представляет огибающую семейства изотерм 154 °С. Например, при приварке седлового отвода d 110/63 к трубе сечение ЗТВ плоскостью перпендикулярной виткам спирали представляет собой кольцеобразную область в трубе и седелке с максимальной шириной кольца 3 мм в районе середины нагревателя (рисунок 4). Наибольшее расстояние внутренней границы ЗТВ от нагревателя составляет примерно 2,0–2,5 мм.
Рисунок 4 – Зона термического влияния седлового соединения d 110/63 при стандартной сварке в комнатных условиях
На рисунке 5 приведены кривые ДСК плавления образцов сварных соединений, выполненных по режимам сварки 1–3. Данные получены при скорости нагрева 20 С°/мин.
Рисунок 5 – Зависимости теплового потока при плавлении образцов сварных седловых соединений d 110/63, полученных при различных режимах сварки: 1 – режим 1; 2 – режим 2, Тов= -28 °С; 3 – режим 3, Тов= -28 °С
Результаты исследований показали, что при приварке седловых отводов при низких температурах по предлагаемой технологии и по существующей технологии в стандартных условиях значения степени кристалличности материалов трубы в исследуемых областях близки (кривые 1 и 2). Также соотносятся и равновесные температуры плавления. Анализ теплового потока при плавлении образца материала трубы сварного соединения, выполненного при температуре ОВ -28 °С без предварительного подогрева и теплоизоляционного слоя, показал незначительное увеличение равновесной температуры плавления, что говорит о наличии в этой зоне надмолекулярных образований, требующих большего количества энергии для полного перехода в вязкотекучее состояние (кривая 3). Это может свидетельствовать о наличии в этой зоне сферолитов, размер которых свойственен изначальной структуре материала трубы, не подвергшегося плавлению на стадии нагрева свариваемых деталей нагревательным элементом. Вероятно, также объясняется и повышение степени кристалличности материала образца по сравнению с образцами, полученными при режимах 1 и 2.
Используя термограммы ДСК плавления образцов сварных седловых соединений, полученных при различных режимах сварки, исследовалась кинетика их кристаллизации (рисунок 6). Относительные кристалличности материалов определялись по термограммам следующим образом:
, (2)
где DHT – часть энтальпии плавления до текущей температуры Т, DH – энтальпия плавления.
, , (3)
где Q(T) – функция теплового потока (кривая ДСК), Т – температура,
– температура начала плавления, – температура конца плавления. При этом условная базовая прямая для сравниваемых кривых ДСК бралась одна и та же.
Рисунок 6 – Кинетика кристаллизации образцов сварных соединений
Исследование кривых относительной кристалличности образцов сварных соединений показало, что кинетики плавления материала соединений, полученных при 23 °С по стандартной технологии и при -28 °С по разработанной технологии практически идентичны, что свидетельствует о том, что применение предварительного подогрева и слоя теплоизоляционного материала расчетной толщины при охлаждении сварного соединения во время сварки при отрицательных температурах ОВ приводит к формированию структуры материала ЗТВ, близкой к структуре материала сварного соединения, выполненного при положительных температурах.
Для образцов, полученных по Режиму 3, в интервале температур от 80 до 125 °С характерно изменение относительной кристалличности с более высокой скоростью, чем для образцов стандартной сварки и по предлагаемой технологии. Такой характер кинетической кривой свидетельствует о наличии большого количества мелких кристаллических образований. Практическое совпадение кривых кинетики в интервале температур от 137 до 154 °С вероятнее всего означает наличие образований основного материала, не подвергшихся плавлению в силу недостаточного нагрева.
Исследования структуры материала соединений
Исследование структуры материала является важной частью исследований прочности сварного соединения. Трудность в описании структуры сварных седловых соединений заключается в различии изготовления седлового отвода и полиэтиленовой трубы. Хотя они изготавливаются из полиэтилена марки ПЭ100, седловые отводы получают в основном литьем под давлением, а трубы – экструзией. В процессе приварки структура материала в сварном соединении со стороны отвода и трубы изменяется по разному. В связи с этим структура материала зон седлового отвода и трубы приведены по отдельности.
Подготовка поверхностей образцов для микроскопических исследований проводилась методом травления [2]. Травление проводилось в парах кипящего толуола в течение 3 мин. Перед травлением плоскость среза подвергалась обработке абразивными инструментами. Обработка абразивом проводилась в водной среде во избежание перегрева образца. Для исследований надмолекулярной структуры материала сварных седловых соединений использовался сканирующий электронный микроскоп «Jeol JSM–6480 LV» с аналитическими приставками INCA Energy и INCA Wave. Поверхности травления исследовали при ×1000, ×3000 и ×5000 увеличении.
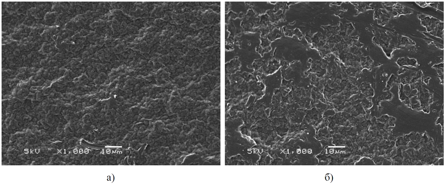
На рисунке 7 приведена структура материала в зоне шва со стороны отвода сварных соединений, выполненных при температуре ОВ -28 °С с применением предварительного подогрева и охлаждения под слоем теплоизоляции (Режим 2). Видно, что надмолекулярные образования имеют размеры около 3-5 мкм. Похожая структура материала с образованиями такого же размера наблюдается в образцах, полученных при комнатной температуре в работе [4]. Небольшое количество непротравленных участков, наблюдаемых на микрофотографии, не влияет на анализ общей структуры материала сварного соединения.
Рисунок 7 – Структура материала в зоне шва со стороны отвода сварного соединения, произведенного при Тов минус 28 °С по Режиму 2, ×5000
В условиях низких температур в процессе сварки в материале сварных соединений формируется мелкокристаллическая структура. Об этом свидетельствует рисунок 8, на котором видно, что структурные образования мелкие, размерами примерно 0,5–1 мкм. Известно, что высокая степень переохлаждения приводит к образованию относительно большего числа центров зарождения, которые, в свою очередь, при высокой скорости охлаждения не успевают вырасти в сферолиты более большего размера [5]. Также в этой зоне наблюдается незначительное количество структур фибриллярного характера, что объясняется большой скоростью охлаждения расплава, в которой часть фибрилл не успели перестроиться в сферолиты.
Рисунок 8 – Структура материала в зоне шва со стороны отвода сварного соединения, произведенного при Тов минус 28 °С по Режиму 3, ×5000
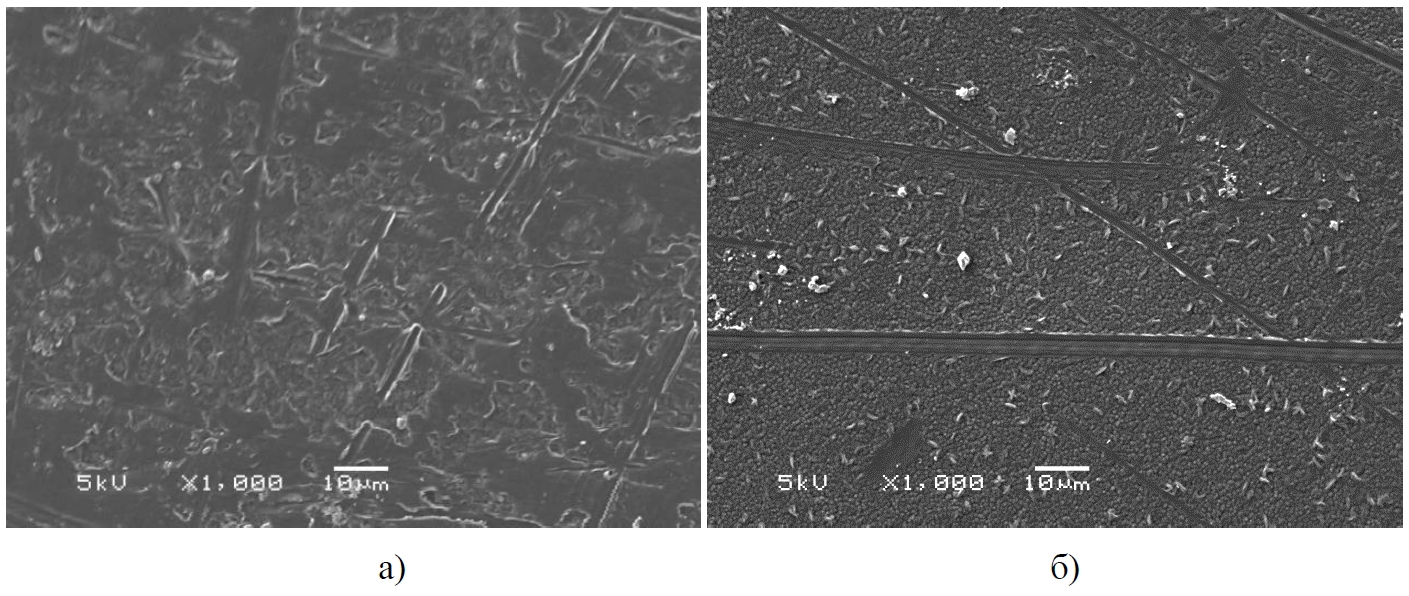
На рисунке 9 приведены микрофотографии структуры материала той же зоны, но уже при увеличении ×1000, где можно наблюдать данное различие.
Рисунок 9 – Структура материала в зоне шва со стороны отвода сварного соединения, произведенного при Тов минус 28 °С ×1000: а) Режим 2; б) Режим 3
Структура материала в области шва трубы сварных соединений, выполненных при температуре ОВ -28 °С по режимам 2 и 3, приведена на рисунке 10. Видно, что сферолиты плотно уложены, что объясняется способом производства труб – экструзией. При сварке по режиму 2 (рисунок 10, а) в области шва сформировалась структура, близкая к структуре основного материала трубы. Вероятнее всего, что материал с таким типом структуры будет обладать прочностными характеристиками, близкими к прочности основного материала трубы. При сварке по режиму 3 (рисунок 10, б) в материале в области шва наблюдается неоднородность структуры и значительное количество дефектных сферолитов.
Рисунок 10 – Структура материала в области шва со стороны трубы сварных соединений, произведенных при Тов -28 °С ×1000: а) режим 2; б) режим 3
На рисунке 11 приведены изображения структуры материала в ЗТВ со стороны отвода сварных соединений. К сожалению, наличие пленки, образовавшейся в процессе травления образца, затрудняет проведение полного анализа структуры, сформировавшейся в процессе сварки (рисунок 11, а). Тем не менее, можно сделать вывод, что сформировалась сферолитная структура с размерами образований от 2 до 5 мкм. С удалением от сварного шва в зоне термического влияния седлового отвода в результате недостаточного плавления при нагреве и быстрого охлаждения формируется надмолекулярная структура материала не сферолитная, а фибриллярная с хаотичным расположением фибрилл (рисунок 11, б).
Рисунок 11 – Микрофотографии структуры материала в ЗТВ отвода сварных седловых соединений, выполненных при температуре ОВ -28 °С, ×1000: а) режим 2; б) режим 3
На рисунке 12 приведены снимки структуры материала в ЗТВ трубы сварных соединений, изготовленных при тех же температуре ОВ и режимах сварки при увеличении микроскопа в ×3000.
Рисунок 12 – Микрофотографии структуры материала в ЗТВ трубы сварных седловых соединений, выполненных при температуре ОВ -28 °С, ×3000: а) режим 2; б) режим 3
Здесь наблюдается сферолитная структура независимо от режима сварки. Различия имеются в размерах надмолекулярных образований. Так, при режиме 2 (сварка с предварительным подогревом и охлаждением под теплоизоляцией) размеры сферолитов варьируются в пределах 3-4 мкм (рисунок 12, а), а при режиме 3 (без подогрева и свободным охлаждением) наблюдаются сферолиты размерами от 2 до 8 мкм (рисунок 12, б). В целом структура более однородна в материале сварного соединения, изготовленного по режиму 2.
Заключение и выводы
- Предлагаемая технология приварки седловых отводов к действующим газопроводам из полиэтиленовых труб приводит к кинетике кристаллизации, обуславливающей формирование однородной сферолитной структуры материала зоны термического влияния и сварного шва с размерами надмолекулярных образований 3–5 мкм.
- Установлено, что температурно-временной режим приварки седловых отводов к действующему газопроводу при низких температурах, реализуемый предлагаемой технологией, позволяет получить структуру материала, обеспечивающую прочность соединения на уровне прочности стандартной сварки при допустимых температурах воздуха.
Предлагаемая технология приварки седловых отводов к действующим газопроводам при низких температурах воздуха позволит сократить затраты времени на выполнение одного соединения к полиэтиленовой трубе диаметром 110 мм с 3 часов при использовании теплых укрытий до 50 минут. Сокращение времени на выполнение соединения будет возрастать с увеличением диаметра труб.
About the authors
Maria A. Nikolaeva
Institute of Oil and Gas Problems SB RAS
Author for correspondence.
Email: eowa@mail.ru
Candidate of Physical and Mathematical Sciences, Senior Researcher, Laboratory of Climate Tests
Russian Federation, YakutskElena V. Danzanova
Institute of Oil and Gas Problems SB RAS
Email: dhv4071@mail.ru
Candidate of Physical and Mathematical Sciences, Senior Researcher, Laboratory of Climate Tests
Russian Federation, YakutskNikolai P. Starostin
Institute of Oil and Gas Problems SB RAS
Email: nikstar56@mail.ru
Doctor of Technical Sciences, Professor, Chief Researcher, Laboratory of Climate Tests
Russian Federation, YakutskReferences
- Николаева, М. А. Влияние температурно-временных режимов сварки полимерных труб при низких температурах на структуру и свойства материалов соединений. Часть 1. Рас-чет теплового процесса / М. А. Николаева, Е. В. Данзанова, Н. П. Старостин. – Текст : непосредственный // Вестник Югорского государственного университета. – 2022. – № 4 (67). – С. 59–67. https://doi.org/10.18822/byusu20220459-67
- Кайгородов, Г. К. Влияние скорости охлаждения полиэтиленового сварного шва на его прочность / Г. К. Кайгородов, В. Ю. Каргин. – Текст : непосредственный // Трубопрово-ды и экология. – 2001. – № 2. – С. 13–14.
- Каган, Д. Ф. Применение метода травления при микроскопическом исследовании надмолекулярной структуры блоков полиэтилена высокой плотности / Д. Ф. Каган, Л. А. Попова. – Текст : непосредственный // Высокомолекулярные соединения. – 1970. – Т. 12. – № 12. – С. 2774–2777.
- Ботвин, Г. В. Технология приварки седлового отвода к полиэтиленовым трубам при низких температурах окружающего воздуха / Г. В. Ботвин, Е. В. Данзанова. – Текст : непосредственный // EURASTRENCOLD-2022. Труды X Евразийского симпозиума по проблемам прочности и ресурса в условиях климатически низких температур, посвя-щенный 100-летию образования ЯАССР и 300-летию Российской Академии наук (12–16 сентября 2022 г., г. Якутск). – Киров : Изд-во МЦИТО, 2022. – С. 68–71.
- Тагер, А. А. Физико-химия полимеров. Издание 4-е, переработанное и дополненное / А. А. Тагер. – М. : Научный мир, 2007. – 576 с. – Текст : непосредственный.
Supplementary files















