The problems of using Autonomous power plants based on induction machines with short-circuit rotor
- Authors: Scherbakov A.G.1, Arkhipova O.V.1
-
Affiliations:
- Yugra State University
- Issue: Vol 12, No 3 (2016)
- Pages: 97-103
- Section: Articles
- Published: 15.09.2016
- URL: https://vestnikugrasu.org/byusu/article/view/7416
- DOI: https://doi.org/10.17816/byusu201612397-103
- ID: 7416
Cite item
Full Text
Abstract
This article describes the mathematical model of the Autonomous power supply system based on asynchronous generator and the description of a software product that implements the proposed mathematical model.
Full Text
Применение источников малой распределённой генерации (МРГ) в последнее время становится особенно актуальным по причинам экономической целесообразности. В большинстве источников МРГ, например, в ветроэнергетических установках, вследствие переменого характера действия первичного двигателя (в данном случае ветра) нецелесообразно в качестве генератора применять синхронные генераторы. В таких источниках МРГ в качестве альтернативного генератора электрической энергии может рассматриваться асинхронный генератор (АГ). До недавнего времени широкое применение АГ сдерживалось рядом факторов, среди которых можно выделить, например, необходимость в наличии регулируемого в широких пределах источника реактивной мощности, который обладал бы высоким быстродействием. Появление в последнее время силовых полупроводниковых приборов и конденсаторных батарей нового поколения позволяет реализовать требуемый источник реактивной мощности, который обладал бы задаными свойствами. Как следствие этого область применения АГ электрической энергии начинает расширяться.
Наряду с достоинствами применения АГ, среди которых выделяются простота эксплуатации и обслуживания, простота включения на параллельную работу, высокая удельная мощность и т. п., их применение сопровождается рядом проблем. Среди проблем применения АГ выделяется, например, значительное потребление реактивной мощности, которое может составлять до 50 % и более от полной мощности асинхронного генератора. Для улучшения эксплуатационных свойств асинхронного генератора в цепь статора могут включаться дополнительно конденсаторы, при этом масса и размеры конденсаторных батарей могут превосходить массу самого АГ.
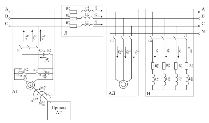
В целях исследования свойств источников МРГ, основанных на применении АГ на кафедре «Энергетика» Югорского государственного университета, разработана математическая модель дизельной электрической станции в качестве генератора электрической энергии, на которой выступает АГ (рис. 1).
Рисунок 1 – Схема автономной системы элекроснабжения на основе асинхронного генератора: АГ – асинхронный генератор; Л – линия; АД – асинхронный двигатель; Н – активно-реактивная нагрузка
В качестве нагрузки для АГ рассматривались:
- асинхронный двигатель с короткозамкнутым ротором, мощность которого соизмерима с мощностью вырабатываемой АГ;
- модель бытовой нагрузки, имеющей активно-индуктивный характер и характеризующейся неравномерностью распределения по фазам с течением времени.
Математическая модель рассматриваемой электроэнергетической системы на базе АГ будет иметь следующий вид:
На основании системы дифференциальных уравнений (1) с использованием языка программирования Object Pascal и среды разработки Delphi 7 реализован программный продукт «As_G», позволяющий выполнять расчёт переходных процессов в электроэнрегетической системе на базе АГ. Предлагаемый программный продукт составлен на основании ранее разработанного программного продукта, предназначенного для расчёта переходных процессов в асинхронном двигателе [4]. Ниже приводится описание работы предлагаемого программного продукта, реализующего расчёты для асинхронной машины АИР315S6, работающей в режиме генератора, и которая имеет следующие паспортные данные (таблица 1).
Таблица 1. Паспортные данные асинхронной машины АИР315S6
№ | Наименование | Значение |
| Номинальная мощность, кВт | 110 |
| Синхронная скорость вращения при частоте 50 Гц, об/мин | 1000 |
| Номинальный ток обмотки статора при напряжении 380 В, А | 200 |
| КПД, % | 93,5 |
| Коэффициент мощности, о. е. | 0,9 |
| Кратность пускового тока, о. е. | 6 |
| Число пар полюсов | 3 |
| Момент инерции ротора, кг´м2 | 0,14 |
| Напряжение питания (линейное значение), В | 380 |
| Частота напряжения питания, Гц | 50 |
Для выполнения расчётов переходных процессов в рассматриваемой электроэнрегетической системе на базе АГ АИР315S6 необходимо определить параметры его математической модели (1). Методика определения параметров математических моделей электротехнических устройств подробно излагается в работах [3] и [5] и реализована в виде программного продукта [2]. Программный продукт [2] также позволяет определить параметры математической модели асинхронной машины по паспортным данным. На основании программного продукта [2] могут быть получены следующие параметры математической модели асинхронной машины АИР315S6 (таблица 2).
Таблица 2. Параметры математической модели асинхронной машины АИР315S6
№ | Наименование | Значение |
| Активное сопротивление фазы статора, Ом | 0,66 |
| Активное сопротивление фазы ротора, Ом | 0,84 |
| Реактивное сопротивление фазы статора, Ом | 0,942 |
| Реактивное сопротивление фазы ротора, Ом | 1,476 |
| Взаимоиндуктивное сопротивление фаз статора, Ом | 23,236 |
| Взаимоиндуктивное сопротивление фаз ротора, Ом | 23,236 |
| Взаимоиндуктивное сопротивление фаз статора и ротора, Ом | 23,236 |
После запуска программы «As_G» параметры асинхронной машины (таблицы 1 и 2) необходимо ввести в таблицу вспомогательного окна программы, которое появляется на экране после нажатия на кнопку «Параметры», находящейся на основном окне программы (рис. 2). Кроме параметров таблиц 1 и 2 с помощью вспомогательного окна программы также необходимо ввести:
- интервал времени расчёта переходного процесса;
- допустимую погрешность расчёта;
- начальный шаг интегрирования.
После ввода всех исходных данных необходимо «нажать» кнопку «Расчитать» на основном окне программы. Процесс выполнения расчёта может занимать некоторое время, ход выполнения расчёта отображается с помощью специального окна, которое после завершения расчёта исчезает. После завершения всех вычислений на экране появляется вспомогательное окно с результатами расчётов, представленных в виде графиков (рис. 5–7).
Предлагаемый в данной работе программный продукт позволяет осуществлять глубокий анализ переходных процессов в источниках МРГ, основанных на применении АГ, что необходимо при проектировании подобного рода источников и разработке для них систем управления.
Рисунок 2 – Главное окно программы «As_G»
Рисунок 3 – Вспомогательное окно программы «As_G» для ввода графика нагрузок работы асинхронного двигателя
Рисунок 4 – Вспомогательное окно программы «As_G» для ввода графика бытовой нагрузки
Рисунок 5 – Результаты расчётов программы «As_G»: закон изменения напряжения на выходе АГ
Рисунок 6 – Результаты расчётов программы «As_G»: закон изменения тока ротора АГ
Рисунок 7 – Результаты расчётов программы «As_G»: закон изменения токов статора АГ
About the authors
Alexander G. Scherbakov
Yugra State University
Author for correspondence.
Email: scherbacov@yandex.ru
Candidate of Engineering Sciences, Associate Professor of the Department of Energy, Institute of Nature Management
Russian Federation, 16, Chehova street, Khanty-Mansiysk, 628012Olga V. Arkhipova
Yugra State University
Email: O_Arkhipova@ugrasu.ru
Associate Professor of the Department of Energy, Institute of Nature Management
Russian Federation, 16, Chehova street, Khanty-Mansiysk, 628012References
- Вопросы управления в малой распределённой генерации [Текст] / В. З. Ковалёв,С. Е. Ковалёва, А. Г. Щербаков, О. В. Архипова // Культура, наука, образование: проблемы и перспективы : материалы III Всероссийской научно-практической конференции (г. Нижневартовск, 7 февраля 2014 года). – Нижневартовск : Изд-во Нижневарт. гос. ун-та, 2014. – С. 60–62.
- Идентификация параметров математических моделей электротехнических комплексов: рекламно–техническое описание программного средства [Текст] / Ю. З. Ковалёв, В. З. Ковалёв, А. Г. Щербаков, Р. А. Чертов. – Омск : ОмГТУ, 2001. – № 50200100259.
- Ковалёв, В. З. Идентификация параметров и характеристик математических моделей электротехнических устройств [Текст] : монография / В. З. Ковалёв, А. Г. Щербаков,А. Ю. Ковалёв. – Омск : ОмГТУ, 2005. – 108 с.
- Щербаков, А. Г. Методика идентификации параметров асинхронных двигателей [Текст] / А. Г. Щербаков // Омский научный вестник. – 2011. – № 1(97). – С. 112–116.
- Щербаков, А. Г. Математическая модель асинхронной машины в фазной системе координат: рекламно–техническое описание программного средства [Текст] / А. Г. Щербаков, Г. В. Мальгин. – Москва : ВНТИЦ, 2001. – № 50200100256.
Supplementary files











