Energy control and grinding mechanoactivation planetary mill AGO-3
- Authors: Boronenko M.P.1, Lavrikov V.V.1, Seregin A.E.1, Yurukin P.A.1, Yuhimyk R.F.1
-
Affiliations:
- Yugra State University
- Issue: Vol 12, No 2 (2016)
- Pages: 7-16
- Section: Articles
- Published: 15.06.2016
- URL: https://vestnikugrasu.org/byusu/article/view/7393
- DOI: https://doi.org/10.17816/byusu20161227-16
- ID: 7393
Cite item
Full Text
Abstract
For laboratory mehanoaktivatora AGO-3 the parameters of thermal and energy intensity depending on the level filling the container carrier velocity, time mechanical activation. Determine the power delivered to the grinding bodies, friction losses and hydraulic resistance movement of the containers. The reported study was funded by RFBR according to the research project No. 15-42-00106.
Full Text
Введение
В технологических процессах порошковой металлургии широко используются методы механоактивации (МА) и последующей сферодоизацией в пот плазменном потоке [1–4]. С их помощью получают металлические твёрдые и сверхтвердые растворы и химические соединения в процессе МА смеси порошков в планетарных шаровых или вибрационных мельницах [5–7]. МА в высокоэнергонагруженных аппаратах позволяет осуществлять измельчение порошков в трех комбинированных режимах – ударном, ударно-истирающем или истирающем режимах [8–10], что приводит к накоплению структурных дефектов, увеличению дисперсности, увеличению активной поверхности веществ, фазовым превращениям, аморфизации кристаллов, что влияет на их химическую активность [11–14].
Процессы, протекающие при МА, в частности механосинтез (МС), относятся к неравновесным фазовым превращениям [15, 16] и, согласно исследованиям [17], могут иметь место уже при температурах, близких комнатным. Атомное перераспределение по механизму нормальной диффузии, в сплавах на основе Fe при таких температурах отсутствует [18–19]. Однако в результате интенсивной холодной пластической деформации формируются точечные дефекты, и становится возможным деформационно-индуцированный массоперенос – диффузия атомов на расстояния, значительно превышающие межатомные, вследствие чего нарушается структура металлов, происходит ее аморфизация [20]. Процесс механоактивации содержит в себе два конкурирующих процесса – процесс образования дефектов и процесс их релаксации. Последний может продолжаться от долей секунды до нескольких лет [21, 22]. Механоактивация вещества эффективно продолжается до тех пор, пока скорость образования дефектов превышает скорость их релаксации [23, 24].
Сильное деформационное импульсное воздействие на вещество, особенно при низких температурах, сопровождается передачей ему большой энергии и формированием особых, локально неоднородных состояний, обусловленных насыщением дефектами и высокими напряжениями на малых субмикро- и наномасштабных элементах структуры [25, 26]. Вне зависимости от аппаратурного оформления процесса результаты всякой механической обработки можно представить в самом общем виде как некоторое сочетание трехосного нагружения и сдвиговой деформации на контактах между частицами твердого вещества [27, 28]. Отличие между обработкой в различных аппаратах сводится не только к количественному отличию в скорости этих процессов и количестве подводимой к твердому телу энергии, но и к качественному различию получаемых результатов. Например, полученные результаты формирования аморфизированного покрытия нитрида и оксида титана на стальной поверхности мелющих тел в ходе МА в планетарной мельнице АГО-3 являются недостижимыми для меньших активаторов [29].
К сожалению, экспериментальных работ по непосредственным измерениям характеристик процессов МА в планетарных мельницах (температуры, скорости мелющих тел, энергонапряженности) значительно меньше, чем расчетных. Хорошо изученными являются планетарные механоактиваторы немецкой компании Fritsch (например Fritsch Pulverisette 5) и российской компании НОВИЦ (г. Новосибирск) АГО-2. Параметры энергонапряженности в зависимости от параметров загрузки, активного ускорения, зависимости температуры мелющих тел от времени МА для лабораторного активатора АГО-3 не определены.
Исследование основных управляющих характеристик
Характеристики механообработки с разных сторон описывают процесс механоактивации, протекающий при определенном наборе управляемых параметров и зависят от свойств обрабатываемого материала [30–32]. К самым важным управляющим параметрам для планетарной мельницы относятся: скорость вращения водила, материал и размеры мелющих тел, их масса и средняя скорость между соударениями; отношение объема мелющих тел и обрабатываемого порошка, степень заполнения контейнера. В ходе эксперимента определены характеристики активатора в зависимости от управляемых параметров.
Оборудование и методика эксперимента:
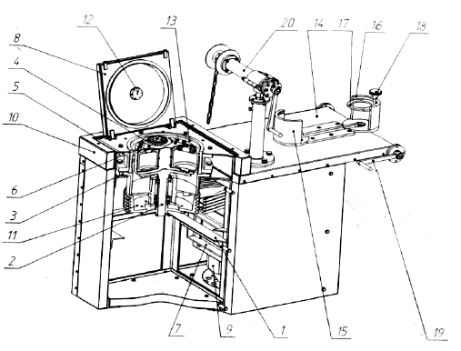
Механоактиватор АГО-3 (см. рис. 1) производства компании НОВИЦ (г. Новосибирск).
Рисунок 1 – Внешний вид и устройство механоактиватора АГО-31 – каркас, 2 – водило, 3 – стойка, 4 – контейнер, 5 – корпус, 6 – обойма, 7 – подвижный кронштейн, 8 – крышка, 9 – элетродвигатель, 10 – кожух, 11 – шкиф, 12 – распылитель, 13 – гильза, 14 – стол, 15 – напрявляющая, 16, 17 – фиксаторы, 18 – ручка, 19 – рукоять, 20 – подъемник
Таблица 1. Технические параметры АГО-3
Режим работы | дискретный |
Максимальный исходный размер частиц материала, мм | 3…5 |
Размер частиц на выходе, мкм | 0.5–3 |
Количество и объем барабанов, мл | 3*2000 |
Мелющие тела | шары |
Диаметр мелющих тел, мм | 6…10 |
Максимальная загрузка контейнера мелющими телами, гр. | 3000 |
Максимальная загрузка контейнера измельчаемым материалом, гр | 300 |
Охлаждающая жидкость, расход ОЖ | Вода, 60 л/мин |
Частота вращения барабанов в переносном движении, об./мин | 1780 |
Центробежное ускорение, развиваемое мелющими телами, м/с2 | 800 |
Мощность электродвигателя, кВт | 30 |
Габаритные размеры (длина/ширина/высота), мм | 1212/575/1080 |
Передаточное отношение клиноременной передачи | 2 |
Масса, кг | 350 |
Система управления двигателем активатора реализована посредством высокочастотного контроллера Siemens Sinamics G120 (производство Германия) (см. рис. 2). Управление контроллером осуществляется свободно распространяемым ПО Siemens STARTER. Контроллер оборудован 8 АЦП, позволяющими диагностировать до 8 из 20 предустановленных (выборных) параметров работы двигателя с временным разрешением не менее 5 мс. В ходе эксперимента детектировались следующие параметры (временное разрешение составляет 40 мс):
- Активная мощность, кВт;
- Крутящий момент двигателя, Нм;
- Сила тока, А;
- Напряжение, В;
- Частота вращения вала двигателя, Гц;
- Температура двигателя, 0С;
- Коэффициент проскальзывания.
Рисунок 2 – Внешний вид и технические характеристики высокочастотного контроллера Siemens Sinamics G120
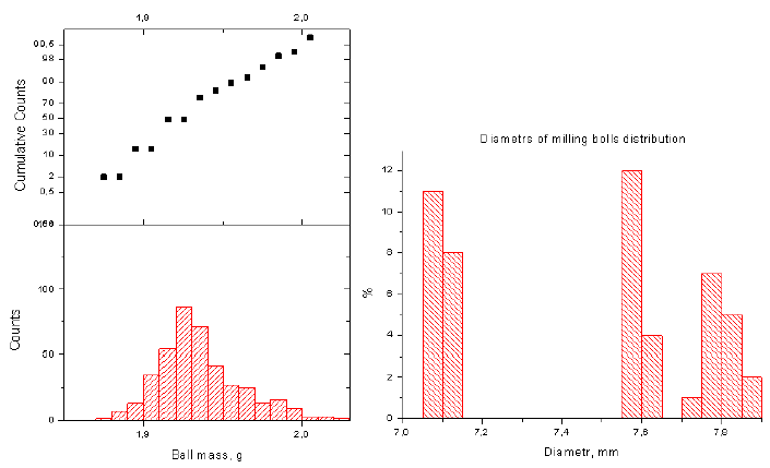
Мелющие тела: шары, изготовленные из стали ШХ18. Масса тел определена на весах Vibra AJ-2200CE, погрешность измерения массы составляет ±0,01 гр. Измерение диаметра производилось микрометром, (погрешность измерения ±10 мкм) в трех взаимно перпендикулярных плоскостях полученные значения усреднялись. Распределение массы и габаритных размеров мелющих тел представлены на рисунке 3.
Рисунок 3 – Распределение массы и габаритных размеров мелющих тел
Измерение температуры производилось контактным термометром ТК-5.09 (см. рис. 3), оборудованным термопарой 3В9-500. Диапазон работы термометра – 99–1800 0С. Погрешность измерения – ±10С.
Рисунок 4 – Внешний вид и устройство термометра термометром ТК-5.09
Изменяемыми параметрами эксперимента являлись:
- Частота вращения двигателя, об/мин – 260, 460, 660, 860, 1060, 1260, 1460;
- Масса загружаемых мелющих тел, гр: 1000, 1700, 2400, 3000 гр;
- Время МА, сек: 60, 120, 180, 240, 300, 360, 420, 480, 540.
Для определения внутренних потерь на жидкостное трение, гидросопротивление вращению с помощью высокочастотного контроллера производилось измерение параметров активной мощности двигателя, частоты вращения, крутящего момента.
Методика эксперимента и анализ получившихся данных:
Нами были сняты температурные характеристики мельницы и проведена серия опытов, направленная на изучение управляющих параметров, заключающаяся в нахождении и анализе зависимости температуры мелющих тел от времени механоактивации, числа оборотов в минуту и загруженности барабана планетарной мельницы (рис. 5, рис. 6, рис.7, рис. 8).
Рисунок 5 – Зависимость температуры мелющих тел от времени механоактивации, числа оборотов в минуту и загруженности (1 кг) барабана планетарной мельницы
Рисунок 6 – Зависимость температуры мелющих тел от времени механоактивации, числа оборотов в минуту и загруженности (1,7 кг) барабана планетарной мельницы
Рисунок 7 – Зависимость температуры мелющих тел от времени механоактивации, числа оборотов в минуту и загруженности (2,4 кг) барабана планетарной мельницы
Рисунок 8 – Зависимость температуры мелющих тел от времени механоактивации, числа оборотов в минуту и загруженности (3 кг) барабана планетарной мельницы
Полученные данные были впервые обнаружены для планетарной мельницы типа АГО-3. Знания о приращении температуры позволяют нам вычислить скорость мелющих тел, которая является самым значимым управляющим параметром мельницы.
Предполагается, что кинетическая энергия шаров преобразуется в тепловую энергию, посредством лобового удара между мелющими телами и контейнером, которая идет на измельчение обрабатываемого материала. Преобразованная энергия составляет только 40 % от полной кинетической энергии (это было выявлено изучением отскока шарика от поверхности барабана). Определение параметров производилось калориметрическим методом. Зная начальную и конечную температуру мелющих тел и порошка, была вычислена полная энергия, «вкачанная в материал», по формуле:
E = M*c*(T-To), (1)
где, M – масса всех мелющих тел, с – теплоемкость, T,To – конечная и начальная температура соответственно.
Среднее максимальное значение скорости шаров находилась по формуле:
V = 2*π*υ*Rк/60, (2)
где, υ – частота вращения водила, Rk – радиус контейнера.
Полученные данные значений скорости при разных частотах вращения контейнера отображены на рис. 9.
Рисунок 9 – Максимальные усредненные значения скорости мелющих тел
Тогда среднее число соударений всех мелющих тел вычисляется как:
n = M*c*(T(t)-To)/Et*t, (3)
где T(t) – температура за время t механоактивации,
Et = (m*v^2/2)*q, (4)
где Et – тепловая энергия мелющего тела, q – коэффициент теплоотдачи равный 0,4.
Полученные данные о количестве соударений в единицу времени изображены на рис. 10 и рис. 11.
Рисунок 10 – График зависимости числа соударений всех мелющих тел от частоты вращения водила при разной загрузке контейнера
Рисунок 11 – График зависимости числа соударений всех мелющих тел от частоты вращения водила при разной загрузке контейнера
Расчет энергонапряженности планетарной мельницы АГО-3 производился по формуле:
W = Et*n (5)
Полученные значения показаны на рис. 12 и рис. 13.
Рисунок 12 – Энергонаприяженность планетарной мельницы АГО-3 при различной загрузке контейнера
Рисунок 13 – Энергонаприяженность планетарной мельницы АГО-3 при различной загрузке контейнера
В описанной работе никак не учитывалась роль трения. В работах с использованием прозрачной крышки и высокоскоростной камеры установили, что в планетарных мельницах между шарами и стенкой часто происходит проскальзывание.
Также, изменяя массу мелющих тел, и скорость вращения водила, были изучены разгонные характеристики мельницы (рис. 14, рис. 15). Разность площадей графиков механоактивации, протекающей с исследуемым образцом и без него, в дальнейшем позволит сделать вывод о подводимой к порошку энергии и предугадать размер и свойства получаемых на выходе наночастиц.
Рисунок 14 – Значение активной мощности при 1460 об/мин ( мел. тел 5 мм)
Рисунок 15 – Значение активной мощности при 1460 об/мин ( мел. тел 7 мм)
Принимая во внимание вышеизложенные данные, был сделан вывод об отсутствии «водопадного движения» мелющих тел при механоактивации.
Выводы
Получены экспериментальные характеристики механоактиватора АГО-3: зависимость термонапряженности, энергонапряженности процесса механоактивации, коэффициента полезного действия активатора от степени наполнения контейнеров, скорости вращения приводного двигателя и времени процесса МА. Выявленные экспериментальные зависимости позволяют сделать следующие предположения:
- Максимальная энергонапряженность мелющих тел на холостом ходу достигается в интервале 30–45 % объемного заполнения.
- Большая часть механической энергии двигателя передается водилу и планетарным реакторам от 65 до 70 %, но наблюдается степенной рост (n~2) передаваемой энергии при увеличении частоты вращения.
- Удельная энергонапряженность мельницы растет пропорционально кубической степени свободного объема реактора.
About the authors
Marina P. Boronenko
Yugra State University
Author for correspondence.
Email: m_boronenko@ugrasu.ru
Candidate of Technical Sciences, Assistant professor of the Department of Physical Chemistry processes and materials, Polytechnic Institut, Yugra State University
Russian Federation, 16, Chehova street, Khanty-Mansiysk, 628012Vitalii V. Lavrikov
Yugra State University
Email: vitaliilavrikov@mail.ru
Postgraduate student of the Department of Chemistry, Institute of Nature, Yugra State University
Russian Federation, 16, Chehova street, Khanty-Mansiysk, 628012Aleksandr E. Seregin
Yugra State University
Email: alex_seregin@mail.ru
Teacher of the Department of Physical Chemistry processes and materials, Polytechnic Institut, Yugra State University
Russian Federation, 16, Chehova street, Khanty-Mansiysk, 628012Paul A. Yurukin
Yugra State University
Email: yurukin.pavel@yandex.ru
Postgraduate student of the Department of Higher Mathematics, Institute of Control Systems and Information Technology, Yugra State University
Russian Federation, 16, Chehova street, Khanty-Mansiysk, 628012Roman F. Yuhimyk
Yugra State University
Email: yurukin.pavel@yandex.ru
Postgraduate student of the Department of Auto-mated Information Processing Systems and Management, Institute of Control Systems and Information Technology, Yugra State University
Russian Federation, 16, Chehova street, Khanty-Mansiysk, 628012References
- Air plasma sprayed coatings of self-fluxing powder materials [Text] / E. E. Komienko, E. J. Lapushkina, I. P. Gulyaev, et al // Journal of Physics: Conference Series. – 2014. Vol. 567, № 1. – P. 012010.
- Arc-Plasma Wire Spraying: An Optical Study of Process Phenomenology [Electronic resource] / I. P. Gulyaev, A. V. Dolmatov, P. Yu. Gulyaev, et al // Journal of Thermal Spray Technology. – 2015. – Vol. 24, Issue 11. – Pp. 1–8. – doi: 10.1007/s11666-015-0356-6.
- Development prospects of SHS technologies in Altai state technical university [Text] / V. V. Evstigneev, P. J. Guljaev, I. V. Miljukova, at al // International Journal of Self-Propagating High-Temperature Synthesis. – 2006. – Т. 15, № 1. – С. 99–104.
- Gulyaev, I. Experience in plasma production of hollow ceramic microspheres with required wall thickness [Text] / I. Gulyaev // Ceramics International. – 2014. – Vol. 41, № 1. – Pp. 101–107. – doi: 10.1016/j.ceramint.2014.08.040/
- Gulyaev, I. P. New High-Speed Combination of Spectroscopic And Brightness Pyrometry For Studying Particles Temperature Distribution In Plasma Jets [Text] / I. P. Gulyaev,K. A. Ermakov, P. Yu. Gulyaev // European researcher. – 2014. – № 3–2 (71). – С. 564–570.
- Gulyaev, I. P. Production and modification of hollow powders in plasma under controlled pressure [Electronic resource] / I. P. Gulyaev // Journal of Physics: Conference Series. – 2013. – Vol. 441, № 1. – P. 012033. – doi: 10.1088/1742-6596/441/1/012033.
- Gulyaev, I. P. Production and modification of hollow powders in plasma under controlled pressure [Electronic resource] / I. P. Gulyaev // Journal of Physics: Conference Series. – 2013. – Vol. 441, № 1. – P. 012033. – doi: 10.1088/1742-6596/441/1/012033.
- Gulyaev, P. Yu. Plasma spraying of protective coatings from ferromagnetic SHS-materials [Text] / P. Yu. Gulyaev // Research Journal of International Studies. – 2013. – № 12–1 (19). – P. 74–77.
- Increasing accuracy of high temperature and speed processes micropyrometry [Electronic resource] / M. P. Boronenko, P. Yu. Gulyaev, A. E. Seregin, A. G. Bebiya // IOP Conference Series: Materials Science and Engineering. – 2015. – Vol. 93, № 1. – P. 012021. – doi: 10.1088/1757-899X/93/1/012021.
- Increasing the noise immunity of optical-electronic systems based on video cameras with an optical converter [Electronic resource] / M. P. Boronenko, P. Yu. Gulyaev, A. E. Seregin, K.G. Poluhina // Journal of Physics: Conference Series. – 2015. – Vol. 643. – P. 012028. – doi: 10.1088/1742-6596/643/1/012028.
- Phase formation time evaluation in NiAl combustion systems by the thermal fields visualization method [Text] / M. P. Boronenko, A. E. Seregin, P. Yu. Gulyaev, I. V. Milyukova // Scientific Visualization. – 2015. – Vol. 7, № 5. – Pp. 102–108.
- Phase formation time evaluation in NiAl combustion systems by the thermal fields visualization method [Text] / M. P. Boronenko, A. E. Seregin, P. Yu. Gulyaev, I. V. Milyukova // Scientific Visualization. –2015. – Vol. 7, №5 – С. 102–108.
- Temperature measurements for Ni-Al and Ti-Al phase control in SHS Synthesis and plasma spray processes [Text] / P. Yu. Gulyaev, I. P. Gulyaev, I. V. Milyukova, H.-Z. Cui // High Temperatures – High Pressures. – 2015. – Т. 44, № 2. – С. 83–92.
- Бороненко, М. П. Модель движения и нагрева частиц в плазменной струе [Текст] / М. П. Бороненко, И. П. Гуляев, А. Е. Серегин // Вестник Югорского государственного университета. – 2012. – № 2. – С. 7–15.
- Бороненко, М. П. Определение фундаментальной диаграммы потока ламинарного плазмотрона с постоянной подачей порошка [Текст] / М. П. Бороненко, П. Ю. Гуляев, А. Л. Трифонов // Вестник Югорского государственного университета. – 2012. – № 2 (25). – С. 16–20.
- Виновский критерий выбора параметров редукции температурного распределения частиц по их суммарному тепловому спектру [Текст] / П. Ю. Гуляев, В. И. Иордан, И. П. Гуляев [и др.] // Известия высших учебных заведений. Физика. – 2008. – Т. 51, № 9–3. – С. 69–76.
- Гуляев, И. П. Особенности получения и обработки полых частиц диоксида циркония в плазменных потоках [Текст] / И. П. Гуляев // Вестник Югорского государственного университета. – 2009. – № 2. – С. 10–22.
- Гуляев, И. П. Плазменная обработка дисперсных материалов [Текст] / И. П. Гуляев, Югорский государственный университет. – Ханты-Мансийск : РИО ЮГУ, 2013. – 115 с.
- Гуляев, И. П. Плазменная обработка полых порошков в камере переменного давления [Текст] / И. П. Гуляев // Вестник Югорского государственного университета. – 2013. – № 2 (29). – С. 23–30.
- Гуляев, И. П. Применение низкотемпературной плазмы для получения полых керамических порошков с заданными характеристиками [Текст] / И. П. Гуляев // Известия высших учебных заведений. Физика. – 2014. – Т. 57, № 3–3. – С. 123–126.
- Гуляев, И. П. Разрешающая способность виртуальных приборов контроля температуры частиц в плазменных потоках по суммарному спектру [Текст] / И. П. Гуляев, П. Ю. Гуляев, В. И. Иордан // Ползуновский альманах. – 2008. – № 2. – С. 13–14.
- Гуляев, П. Ю. Автоматизация контроля теплофизических параметров в технологиях детонационного напыления [Текст] / П. Ю. Гуляев, А. В. Долматов // Системы управления и информационные технологии. – 2009. – Т. 35, № 1.2. – С. 230–233.
- Гуляев, П. Ю. Инерционное влияние внешней среды на результаты измерений и принципы его учета [Текст] / П. Ю. Гуляев, Ю. П. Гуляев, Р. Э. Минекес // Геодезия и картография. – 1996. – № 3. – С. 27–29.
- Гуляев, П. Ю. Моделирование технологических процессов плазменного напыления покрытий наноразмерной толщины [Текст] / П. Ю. Гуляев, И. П. Гуляев // Системы управления и информационные технологии. – 2009. – Т. 35, № 1.1. – С. 144–148.
- Гуляев, П. Ю. Физические принципы диагностики в технологиях плазменного напыления [Текст] / П. Ю. Гуляев, А. В. Долматов // Известия Самарского научного центра Российской академии наук. – 2009. – Т. 11, № 5–2. – С. 382–385.
- Гуляев, Ю. П. Неразрушающий контроль и математическое моделирование деформаций оснований фундаментов по топографо-геодезическим измерениям [Текст] / Ю. П. Гуляев, П. Ю. Гуляев // Современная техника и технологии. – 2015. – № 11 (51). – С. 93–96.
- Измерение скорости и температуры частиц в потоке низкотемпературной плазмы [Текст] / М. П. Бороненко, И. П. Гуляев, П. Ю. Гуляев [и др.] // Известия высших учебных заведений. Физика. – 2014. – Т. 57, № 3–2. – С. 70–73.
- Измерение скорости и температуры частиц в потоке низкотемпературной плазмы [Текст] / М. П. Бороненко, И. П. Гуляев, П. Ю. Гуляев [и др.] // Известия высших учебных заведений. Физика. – 2014. – Т. 57, № 3–2. – С. 70–73.
- Методы контроля температуры и скорости частиц конденсированной фазы в процессе плазменно-дугового напыления [Текст] / М. П. Бороненко, И. П. Гуляев, П. Ю. Гуляев [и др.] // Фундаментальные исследования. – 2013. – № 10–6. – С. 1194–1199.
- Оптико-электронная система диагностики двухфазных потоков динамическим методом счета частиц [Текст] / П. Ю. Гуляев, В. И. Иордан, И. П. Гуляев [и др.] // Известия высших учебных заведений. Физика. – 2008. – Т. 51, № 9–3. – С. 79–87.
- Оценка скорости и температуры дисперсной фазы в струях плазменно-дугового напыления [Текст] / М. П. Бороненко, И. П. Гуляев, П. Ю. Гуляев, [и др.] // Фундаментальные исследования. – 2014. – № 11–10. – С. 2135–2140.
- Экспериментальное исследование процесса плазменно-дугового проволочного напыления [Текст] / И. П. Гуляев, П. Ю. Гуляев, В. Н. Коржик [и др.] // Автоматическая сварка. – 2015. – № 3–4. – С. 37–43.
Supplementary files


















