Predicting the effectiveness of modified technologies for processing of natural and associated gas.
- Authors: Novikov A.A.1, Nazarenko L.T.1
- 
							Affiliations: 
							- Yugra State University
 
- Issue: Vol 11, No 3 (2015)
- Pages: 10-13
- Section: Articles
- Published: 15.11.2015
- URL: https://vestnikugrasu.org/byusu/article/view/7335
- DOI: https://doi.org/10.17816/byusu201511310-13
- ID: 7335
Cite item
Full Text
Abstract
The article examines the possibility of using the method of mathematical modeling of chemical- technological processes and created on the basis of the computer systems in quantitative project analysis technologies for processing of natural and associated gas on the example of a twostage scheme for the industrial synthesis of methanol.
Keywords
Full Text
В статье рассматриваются возможности использования метода математического моделирования химико-технологических процессов и созданных на этой основе компьютерных комплексов в количественном проектном анализе технологий переработки природных и попутных газов на примере двухстадийной схемы промышленного синтеза метанола.
При всем многообразии вариантов постановки проектных задач они сводятся к двум основным:
- По заданным: конструкции аппарата, параметрам входных потоков определить режимные параметры процесса и характеристики выходных потоков.
- По заданным параметрам входных и выходных потоков подобрать конструкцию аппарата и режимные параметры процесса.
Фактически, решение этих задач – основа современных методов проектирования и анализа ХТП. Оно возможно только при наличии:
- адекватной математической модели реактора,
- алгоритмов решения прямых и обратных задач различного типа в их компьютерной реализации,
- эффективных оптимизационных процедур, поддерживающих решение обратных задач.
Задача 1 является задачей собственно анализа ХТП – исследования, оптимизации и прогнозирования существующих промышленных технологий. Задача 2, связанная с выбором реакторного устройства и технологического режима, является задачей оптимизационного типа и практически сводится к многократному решению задачи 1 при варьировании конструкции и режимных параметров реактора. Критерий выбора наилучшего варианта и способ варьирования параметров определяют метод решения оптимизационной задачи.
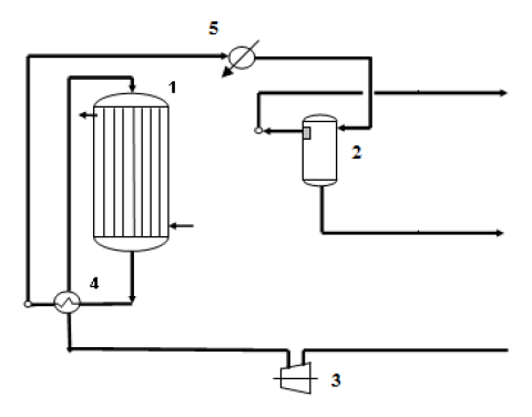
Из многообразия предложенных в литературе направлений по модернизации и оптимизации действующих установок синтеза метанола одним из наиболее перспективных вариантов представляется двухстадийный синтез, предложенный Розовским А.Я., Лин Г.И., Лендером Ю.В. и др. [1-3] Практически он сводится к включению одного или нескольких проточных реакторов (рис.2) в линию 1 свежего синтез-газа циркуляционной схемы синтеза (рис.1) Данный способ синтеза метанола легко осуществляется на базе существующих проточно-циркуляционных технологических схем.
Рисунок 1: Схема реакторного блока синтеза метанола. 1 – реактор синтеза метанола, 2 – сепаратор метанола-сырца, 3 – компрессор, 4 – рекуперационные темлообменники, 5 – конденсатор метанола-сырца.
Рисунок 2: Проточный трубчатый реактор синтеза метанола. 1 – реактор синтеза метанола, 2 – сепаратор метанола-сырца, 3 – компрессор, 4 – рекуперационные темлообменники, 5 – конденсатор метанола-сырца.
Введением проточных реакторов снимаются основные противоречия, присущее циркуляционным схемам – стремление к возможно более полной переработке сырья, т.е. приближение состава циркуляционного потока к равновесному, с одной стороны, и связанное с этим снижение производительности единицы объема катализатора, с другой. Компенсируют этот эффект увеличением количества катализатора в реакторах циркуляционной схемы. Так, в современных агрегатах М-750 общий объем дорогостоящего катализатора в двух реакторах циркуляционной схемы составляет более 260 м3.
Повышение удельной производительности катализатора в предлагаемом способе позволяет уменьшить количество катализатора, требуемое для переработки заданного количества газовой смеси, снизить расход энергии для циркуляции газа. В рамках двухстадийной схемы повышение удельной производительности катализатора может быть непосредственно использовано для увеличения производительности установки. Однако проектирование и внедрение таких схем требует проведения количественного анализа их эффективности с выдачей рекомендаций на основные характеристики реакторов и режимов из эксплуатации. Проведенный этапный компьютерный анализ процесса синтеза метанола позволил создать эффективный инструментарий для проведения такого анализа.
Модульная структура созданного компьютерного комплекса в целом соответствует этапной схеме анализа технологического процесса и позволяет определять количественные характеристики работы циркуляционного контура (рис. 2) трубчатого реактора (рис.1).
Основные варьируемые исходные данные:
- температура, давление, объемная скорость и состав входного потока – синтез-газа,
- температура, давление, объемная скорость и состав теплоносителя, организация теплосъема (прямоток, противоток, коэффициент теплопередачи),
- характеристики катализатора (кинетическая модель, набор кинетических параметров, активность, пористость),
- геометрические размеры: количество, длина, внешний и внутренний диаметр труб, диаметр кожуха,
- температура и давление в промежуточном сепараторе.
Основные результаты:
- состав потоков на выходе реактора и сепаратора,
- профили концентраций компонентов реакционной смеси, температуры во внутри- и межтрубном пространстве.
Сопоставление возможностей количественного компьютерного анализа [4, 5] и формулировки проектной задачи 2 позволяет сделать вывод о принципиальной возможности его использования при оперативной оценке различных вариантов реконструкции реакторного узла промышленного синтеза метанола.
Компьютерный анализ позволил получить количественные характеристики процесса синтеза метанола в двухстадийной схеме на основе крупнотоннажных агрегатов М-750 (табл.1–3).
Таблица 1. Проточный политропический реактор в линии свежего синтез-газа, Vкт=60 м3
| Параметры | Вход | Выход | 
| Поток синтез-газа, м3/ч при н.у. Содержание СО/СО2, мол.% Температура, оС Выход метанола-сырца, кг/ч | 346156 14.6/7.5 220 | 235708 7.8/9.7 250 | 
| 50427 | ||
| Доля метанола, % масс | 95 | |
Таблица 2. Характеристика работы циркуляционного контура двухстадийной схемы
| Vкт цс | Содержание СО в отдуве, % моль | Метанол-сырец, кг/ч | Доля метанола, % масс | 
| 132х2 102х2 80х2 60х2 50х2 45х2 42х2 40х2 | 0,08 0,10 0,12 0,19 0,33 0,55 1,00 1,60 | 78620 78560 78420 78160 77520 76290 73900 70020 | 76,35 76,35 76,35 76,35 76,37 76,39 76,45 76,56 | 
| Одностадийный синтез в циркуляционной схеме | |||
| 132х2 | 0,53 | 127490 | 83,85 | 
Таблица 3. Эффективность двухстадийной схемы синтеза
| Схема | Общий объем катализатора, м3 | Содержание СО в отдуве мол.% | Выход метанола- сырца, кг/ч | Выход метанола, кг/ч | 
| Двух-стадийная | 150 | 0.55 | 126717 | 106115 | 
| Циркуляционная | 264 | 0.53 | 127490 | 106837 | 
Как следует из полученных расчетных данных, при использовании двухстадийной схемы существенно уменьшается общий объем катализатора (с 264 до ~150 м3) при практически неизменной производительности установки в целом.
Жесткие условия работы катализатора в проточных реакторах первой стадии (значительное удаление состава смеси от равновесного, интенсивное выделение тепла) требуют его повышенной, по сравнению с традиционно используемыми катализаторами, термостабильности.
В целом, подводя итог представленным материалам, следует подчеркнуть, что решением рассмотренных задач далеко не исчерпываются возможности созданных на основе многоуровневых детерминированных математических моделей компьютерных комплексов. Они позволяют проводить оперативное решение (анализ, одно- и многофакторная оптимизация, прогнозирование, проектные исследования) тех задач, которые наиболее актуальны для технологов в настоящее время.
About the authors
Alexander A. Novikov
Yugra State University
							Author for correspondence.
							Email: vestnik@ugrasu.ru
				                					                																			                								
Doctor of Chemical Sciences, Professor of Chemistry, Ugra State University
Russian Federation, 16, Chehova street, Khanty-Mansiysk, 628012Leila T. Nazarenko
Yugra State University
														Email: vestnik@ugrasu.ru
				                					                																			                								
Lecturer, Head of Laboratory of lithology and geographic information systems to them. V. I. Spielmann
Russian Federation, 16, Chehova street, Khanty-Mansiysk, 628012References
- Технология синтетического метанола / под ред. Караваева М. М., Леонова В. Е., Попова И. Г. – М.: Химия, 1984. – 240 с.
- Розовский А. Я., Лин Г. И. Теоретические основы процесса синтеза метанола. – М.: Химия, 1990. – 272 с.
- Кравцов А. В., Новиков А. А., Коваль П. И. Компьютерный анализ технологических процессов. – Новосибирск: Наука. Сиб. предприятие РАН, 1998. – 216 с.
- Кравцов А. В., Новиков А. А., Коваль П. И., Иволгин Д. В., Навоенко С. В. Оптимизация многотоннажного производства метанола. // Хим. пром. – 1999. – № 8. – С. 49–52.
- Новиков А. А., Федяева И. М., Мариамидзе Л. Т. Циркуляционные технологические схемы химической переработки попутного нефтяного газа // Вестник Югорского государственного университета. – 2012. – № 3 (26). – С. 45–49.
Supplementary files
 
				
			 
					 
						 
									
 
  
  
  Email this article
			Email this article 



