A method for identifying emergency processes in energy conversion pulse systems
- Authors: Tey D.O.1, Gusakov A.V.1, Keramov N.D.1
-
Affiliations:
- Yugra State University
- Issue: Vol 11, No 2 (2015)
- Pages: 74-79
- Section: Articles
- Published: 15.06.2015
- URL: https://vestnikugrasu.org/byusu/article/view/7326
- DOI: https://doi.org/10.17816/byusu201511274-79
- ID: 7326
Cite item
Full Text
Abstract
The article discusses the problem of identification of the state of the pulse energy conversion system in real time. Investigated a method of reducing the size and the sampling rate of data describing the state of the system wavelet transform, for applying a Fourier transform. Proposed and experimentally tested the algorithm state identification pulse energy conversion system that allows you to determine in real time during the main process of energy conversion
Full Text
Введение
Важнейшим требованием при эксплуатации импульсных систем преобразования энергии (ИСПЭ) является обеспечение устойчивого функционирования системы в области параметров, соответствующих эксплуатационному режиму[1]. При этом, существенная нелинейность импульсных систем преобразования энергии, высокая рабочая частота ШИМ, наличие коммутационных помех делают задачу идентификации состояния комплексной и ресурсоемкой [2]. Решение задачи идентификации по сути является первым шагом к разработке ИСПЭ обеспечивающей эффективное функционирование в широком диапазоне изменения параметров системы за счет автоматической подстройки параметров регулятора.
Один из инструментов исследования сигналов является спектральный анализ с помощью преобразования Фурье. Спектральная оценка цифрового сигнала может быть ключевой для таких задач как медицинская и техническая диагностика, телеметрия, обработка и анализ звуковых сигналов и т. д. При этом интерес представляют вопросы выбора эффективного алгоритма идентификации периодических процессов обеспечивающего необходимую точность при допустимой вычислительной трудоемкости.
В этой статье представлен алгоритм определения оптимальной частоты дискретизации сигнала, а также алгоритм автоматической идентификации типа процесса преобразования энергии обеспечивающие определение появления в ИСПЭ 2- и 4-процессов[3].
Анализ и преобразование данных в процессе функционирования ИСПЭ
Одним из ограничений, существенно снижающих эффективность исследования процессов импульсного преобразования энергии в ИСПЭ, с помощью анализа спектра сигнала в режиме реального времени, является значительные требования к производительности вычислительных ресурсов, необходимых для выполнения преобразования Фурье или вейвлет-анализа.
Также стоит отметить, что для идентификации состояния ИСПЭ посредством оценки гармонического состава сигнала необходимо получить и проанализировать значительный объем данных [4]. Уменьшение объема выборки приводит к снижению требуемой производительности вычислительных ресурсов, но существенно снижает разрешающую способности спектрограммы, и как следствие точность идентификации аварийных процессов.
Рисунок 1 – Пример исследуемого сигнала: а) временной ряд сигнала б) спектрограмма с эффектом элайзинга (наложившиеся частоты обозначены пунктирной линией)
Немаловажным фактором, определяющим целесообразность идентификации аварийных процессов в ИСПЭ является задержка определения возникновения различных периодических и апериодических процессов. В этой связи одним из способов увеличения быстродействия может стать уменьшение объема анализируемых данных. Однако непосредственное уменьшение объема анализируемых данных приведет к появлению эффекта элайзинга частот. Пример анализируемого сигнала и возникающего эффекта элайзинга представлены на рисунке 1.
В рамках исследования динамики импульсного преобразования энергии проводится анализ частотного спектра в диапазоне (0…14 кГц), где14 кГц частота синхронизации ШИМ регулятора [5]. Как видно из рисунка 2 вне области исследования (0...14 кГц) имеется значительное количество высших гармоник с амплитудами сигнала более 10 % от основной. В этой связи, согласно [6] изменение частоты дискретизации без возникновения эффекта элайзинга невозможно.
Рисунок 2 – Спектрограмма анализируемого сигнала
Чтобы избавиться от эффекта элайзинга можно использовать аналоговый ФНЧ непосредственно перед оцифровкой исходного сигнала. Это позволит уменьшить амплитуды высших гармоник и как следствие наложение частот в результате Фурье анализа. Результат обработки сигнала ФНЧ восьмого порядка представлен на рисунке 3. При этом, использование ФНЧ позволяет проводить Фурье анализ сигнала с частотой дискретизации 85 кГц без появления эффекта элайзинга.
Рисунок 3 – Результат применения ФНЧ: а) исходный сигнал, б) спектрограмма
Задача реализации алгоритмов идентификации состояния ИСПЭ в режиме реального времени требует оптимизации вычислительных затрат расчета быстрого преобразования Фурье. Уменьшение вычислительных затрат может быть достигнуто путем снижение объема выборки обрабатываемых данных. С целью уменьшения объема выборки был разработан алгоритм определения оптимальной частоты дискретизации, включающий 4 этапа.
На первом этапе выполняется определение, с требуемой точностью, рабочей частоты ШИМ (Fшим). Поиск производится в окрестности рабочей частоты 14 кГц. Определение рабочей частоты ШИМ выполняется по следующему алгоритму:
Вычисляется математическое ожидание (М) и среднеквадратическое отклонение (σ) амплитуд спектра в окрестности рабочей частоты
Вычисляется пороговое значение амплитуд спектра как М+3 σ.
Из окрестности рабочей частоты исключаются амплитуды всех гармоник значение которых меньше порогового.
В качестве рабочей частоты определяется гармоника с максимальной амплитудой.
Результат выполнения первого этапа представлен на рисунке 4.
Рисунок 4 – Результат определения рабочей частоты ШИМ
На втором этапе проводится оценка шумового загрязнения сигнала. Для оценки уровня шума проводится исследование полученной спектрограммы на интервале (2×Fшим и 3×Fшим)(28 кГц; 42 кГц). Выбор этого диапазона обусловлен тем, что после обработки сигнала ФНЧ амплитуды гармоник с частотами более 42 кГц становятся несущественными.Определение уровня шума в рассматриваемом диапазоне, проводится по следующему алгоритму:
- вычисляется математическое ожидание (М) и среднеквадратическое отклонение (σ) амплитуд спектра;
- вычисляется пороговое значение амплитуд спектра как – М+3 σ;
- гармоники амплитуды, которых выше порогового значения исключаются из рассматриваемого диапазона, так как они не являются шумом. Среди оставшихся гармоник в качестве уровня шума выбирается та гармоника, амплитуда которой имеет максимальное значение.
На третьем этапе выполняется определение оптимальной частоты дискретизации. В качестве оптимальной частоты дискретизации, согласно теореме Котельникова, принимается удвоенное значение частоты последней гармоники, амплитуда которой выше уровня шума. Результат определения частоты дискретизации представлен на рисунке 5.
Рисунок 5 – Пример значения частоты последней гармоники, амплитуда которой выше уровня шумов
Первые три этапа алгоритма применяются во всем диапазоне варьирования нагрузок (Rn) (2…50 Ом) и параметра П-звена (α) (1…80). Результат выполнения сохраняется в таблицу со следующей структурой
Нагрузка | Параметр П-звена | Уровень шума | Оптимальная частота |
На четвертом этапе, на основании полученной таблицы, определяются:
- Максимальный уровень шума оборудования для реализации алгоритма идентификации технологического процесса – из колонки «уровень шума» выбирается максимальное значение;
- оптимальная частота дискретизации – максимальное значение в колонке «Оптимальная частота».
Идентификация типа процесса импульсного преобразования энергии
Алгоритм идентификации типа процесса протекающего в ИСПЭ условно можно разделить на 3 этапа.
На первом этапе выполняется определение, с требуемой точностью, Fшим. Поиск производится в окрестности рабочей частоты 14 кГц. Выполняемые действия аналогичны первому этапу алгоритма определения оптимальной частоты дискретизации
На втором этапе выполняется определение частот исследуемых неэксплуатационных процессов, а именно:
- Fшим /2 как F2 для 2-процесса;
- Fшим /4 какF4 для 4-процесса.
На третьем из сигнала исключаются все гармоники, амплитуды которых находятся ниже уровня шума. В полученном массиве выполняется поиск гармоник частоты, которых соответствую F2или F4. В алгоритме возможны три сценария:
- если не найдены F2и F4 – 1-процесс;
- если найдена F2 – 2-процесс;
- если найдена F2и F4– 4-процесс.
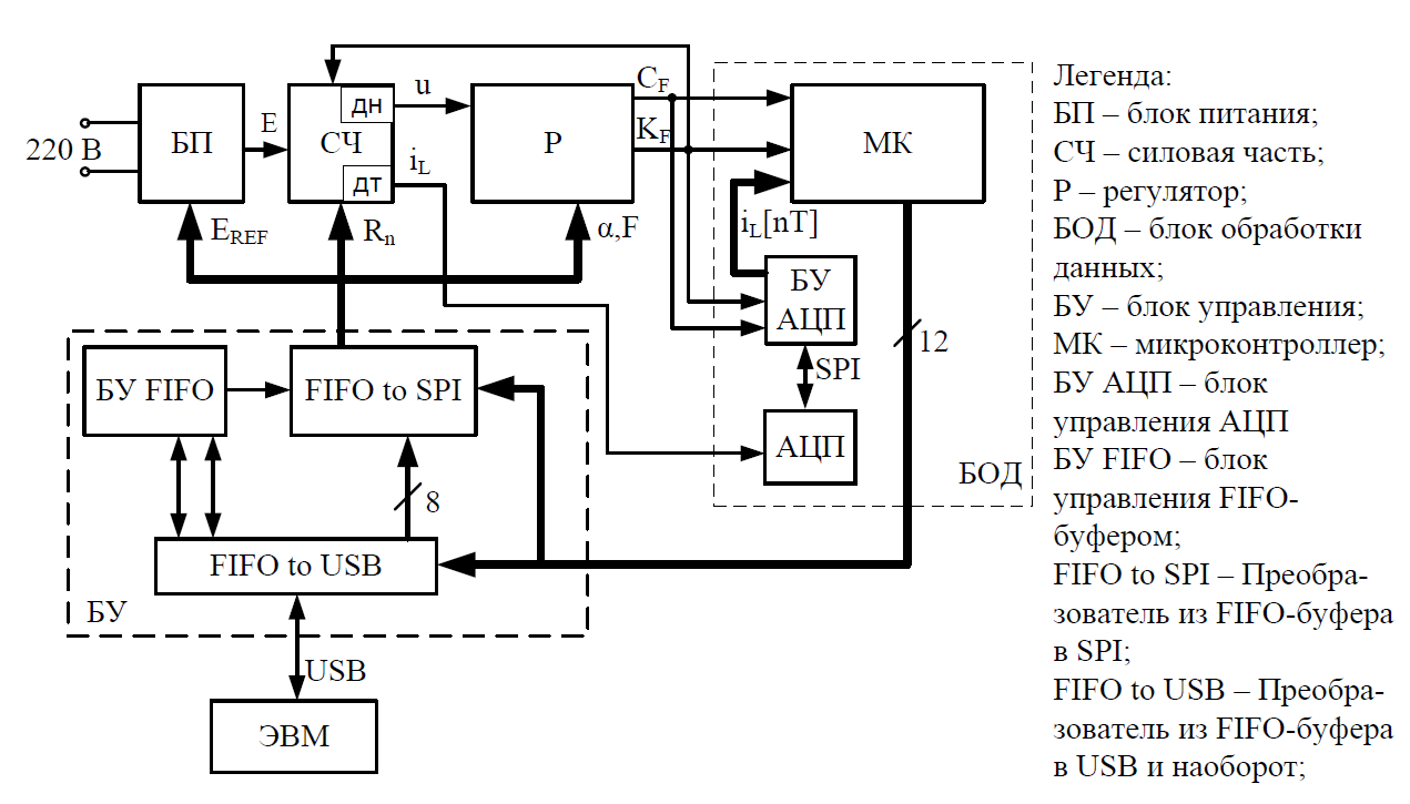
Проверка работоспособности алгоритмов определения оптимальной частоты дискретизации и идентификации типа процесса проводилась на данных полученных на экспериментальной установки «Импульсный преобразователь напряжения» (24В-60Вт) структурная схема которой представлена на рисунке 6.
Рисунок 6 – Структурная схема экспериментальной установки
Подсистема преобразования энергии включает блок питания (БП), силовая часть (СЧ), датчики, аналоговый ШИМ-регулятор (Р). Блок питания осуществляет питание всех элементов, включая регулируемое входное напряжение для импульсного преобразователя (E), регулируемое в интервале от 12В до 35В. Преобразователь построен по типовой схеме синхронного понижающего преобразователя напряжения DC-DC, в котором предусмотрено варьирование активной (Rn) и емкостной нагрузок в диапазонах 2…50 Ом и 10…400 мкФ соответственно[5].
Результат выполнения алгоритма идентификации технологического процесса для Rn = 10 Ом представлен на рисунке 7. На рисунке сплошными линиями обозначены границы 2- и 4-процесса, которые определены в автоматическом режиме.
Рисунок 7 – Результат работы алгоритма идентификации технологического процесса
В ходе исследования была проведена оценка вычислительных затрат алгоритма идентификации технологического процесса. Оценка проводилась двумя способами:
- при помощи встроенного средства математического пакета MatLab (tictoc);
- расчетом количества выполняемых операций.
В первом случае в результате обработки серии экспериментальных данных полученных во всем диапазоне варьирования коэффициента П-звена, среднее время выполнения алгоритма идентификации равно 0,00028 сек. Что составляет 3,92 периода ШИМ при частоте ШИМ 14кГц.
Во втором случае для реализации алгоритма идентификации при самом неблагоприятном сценарии (понадобится выполнить максимальное число операций) количество выполненных операций составляет 43012. При использовании микроконтроллера STM32F4, выполнение такого числа операций займет 0,0002 сек, что составляет 2,8 периода ШИМ
Заключение
В статье продемонстрирована возможность использования спектрального анализа для идентификации 2- и 4-процессов в динамике импульсных систем преобразования энергии. При этом, представлены алгоритмы обеспечивающие снижения объема обрабатываемых данных без появления эффекта элайзинга частот.
Экспериментальные исследования разработанных алгоритмов показали их работоспособность. При этом задержка выявления нежелательной динамики составляет от 3 до 4периодов ШИМ регулятора.
Преимуществом разработанных алгоритмов является отсутствие необходимости сложных синхронных измерений значения сигнала в момент переключений, помехозащищенность и простота реализации за счет использования промышленно разработанных решений быстрого преобразования Фурье.
About the authors
Dmitry O. Tey
Yugra State University
Author for correspondence.
Email: teyd@mail.ru
Candidate of Technical Sciences, Associate Professor of the Department of Automated Control Systems and Information Processing, Institute of Control Systems and Information Technology, Yugra State University
Russian Federation, 16, Chehova street, Khanty-Mansiysk, 628012Artem V. Gusakov
Yugra State University
Email: artyom.gusakov@gmail.com
Head of the Laboratory of Control Systems and Information Technology, Institute of Control Systems and Information Technology, Yugra State University
Russian Federation, 16, Chehova street, Khanty-Mansiysk, 628012Nizam D. Keramov
Yugra State University
Email: artyom.gusakov@gmail.com
Engineer of Laboratory of Control Systems and Information Technology, Institute of Control Systems and Information Technology, Yugra State University
Russian Federation, 16, Chehova street, Khanty-Mansiysk, 628012References
- Моновская, А. В. Прогнозирование опасных ситуаций в динамике импульсных систем преобразования энергии в режиме реального времени : дис. … к. техн . н. [Текст] / А. В. Моновская. – Орел, 2005. – 121 с.
- Моновская, А. В. Прогнозирование аварийных состояний в автоматизированных импульсных системах преобразования энергии : дис. … д. техн. н. [Текст] / А. В. Моновская. – Ханты-Мансийск, 2010. – 333 с.
- Тей, Д. О. Идентификация аварийных процессов в импульсных системах преобразования энергии в режиме реального времени [Текст] / Д. О. Тей, А. В. Гусаков, Н. Д. Керамов / Международная научно-практическая конференция «Новые технологии и проблемы технических наук», г. Красноярск. – 2014. – С. 9–11.
- Сато, Юкио. Без паники! Цифровая обработка сигналов [Текст] / Юкио Сато ; [пер. с яп.] : Т. Г. Селина. – М. : Додэка-XXI, 2010. – 176 с.
- Тей, Д. О. Идентификация аварийных процессов в импульсных системах преобразования энергии в режиме реального времени [Текст] / Д. О. Тей, А. В. Гусаков, Н. Д. Керамов // Научное обозрение. – 2014. – № 10, ч. 1. – С. 73–78.
- Григорян, М. Б. Методы и устройства децимации сигнала с повышенным быстродействием для цифрового спектрального анализа : дис. … к. техн. н.[Текст] / М. Б. Григорян. – СПб., 2011. – 143 с.
Supplementary files









