An effective way to identify the pulse energy conversion process in real time
- Authors: Tey D.O.1, Godovnikov E.A.1, Gusakov A.V.1, Keramov N.D.1, Usmanov R.T.2
-
Affiliations:
- Yugra State University
- Yugra Scientific Research Institute Information Technologists
- Issue: Vol 11, No 2 (2015)
- Pages: 69-73
- Section: Articles
- Published: 15.06.2015
- URL: https://vestnikugrasu.org/byusu/article/view/7325
- DOI: https://doi.org/10.17816/byusu201511269-73
- ID: 7325
Cite item
Full Text
Abstract
The article discusses the problem of identification of the state of the pulse energy conversion system in real time. We investigate a method of identifying dynamic processes in systems impulsetion of energy conversion based on the Poincare map. Proposed and experimentally tested the algorithm state identification pulse energy conversion system that allows you to determine in real time during the main process of energy conversion.
Full Text
Введение
В настоящее время системы преобразования энергии в ряде задач должны обеспечить высокое качество энергии при значительном диапазоне вариации параметров нагрузки и источников энергии. При этом, требованием при эксплуатации импульсных систем преобразования энергии (ИСПЭ) является обеспечение устойчивого функционирования системы в области параметров, соответствующих эксплуатационному режиму [1]. Существенная нелинейность импульсных систем преобразования энергии и современных нагрузок, высокая рабочая частота ШИМ, наличие коммутационных помех делают задачу идентификации состояния комплексной и ресурсоемкой [2]. Решение задачи идентификации, по сути, является первым шагом к разработке ИСПЭ обеспечивающей эффективное функционирование в широком диапазоне изменения параметров системы за счет автоматической подстройки параметров регулятора.
В статье предложен способ идентификации процессов импульсного преобразования, позволяющий идентифицировать тип динамического процесса в режиме реального времени. В первом разделе приводится описание способа идентификации, основанного на базе формирования отображения Пуанкаре и применения кластерного анализа данных. Во втором разделе описывается экспериментальная установка. В третьем разделе проводится анализ эффективности предлагаемого способа идентификации типа динамического процесса импульсного преобразования энергии.
I. Способ автоматической идентификации типа динамического процесса импульсного преобразования энергии
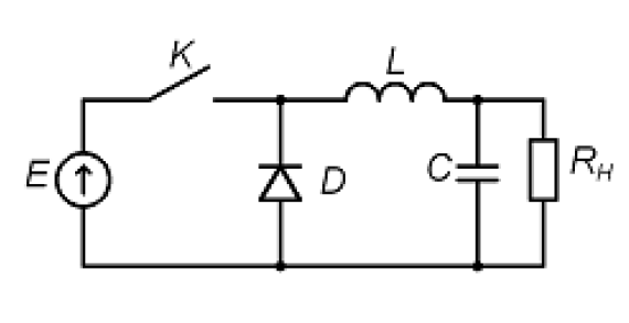
В работе используется импульсный понижающий преобразователь постоянного напряжения в постоянное (рисунок 1).
Рисунок 1 – Структурная схема импульсного понижающего преобразователя энергии
Цикл работы преобразователя можно разбить на две фазы – активная фаза, когда ключ замкнут и пассивная фаза – при разомкнутом ключе K. В активной фазе источник напряжения E подключен к нагрузке Rn через фильтр низких частот LC. В пассивной фазе ключ разомкнут, энергия из источника не потребляется, но ток продолжает течь в нагрузку за счет накопленной в фильтре энергии. Диод D нужен для перехватывания тока индуктивности, накопленного во время активной фазы. Фильтр рассчитывается таким образом, чтобы максимально подавить пульсации напряжения в нагрузке на частоте переключения ключа. В ШИМ-регулировании период переключения ключа T постоянный, а время активной фазы t1 изменяется от нуля до T. Таким образом, на нагрузке присутствует усредненное напряжение, пропорциональное входному напряжению и коэффициенту «заполнения» t1/T, изменяющемуся от нуля до единицы.
Эксплуатационный процесс в ИСПЭ представляет собой устойчивый периодический процесс преобразования энергии с частотой ШИМ (fШИМ) - рисунок 2а. В результате нелинейного явления в ИСПЭ происходит изменение частотных и пульсационных характеристик процесса преобразования энергии и возникает один из аномальных процессов – субгармонический, квазипериодический или хаотический. Пример аномального процесса после первой бифуркации представлен на рисунке 2б.
Рисунок 2 – эксплуатационный процесс (1 – процесс) (а); аномальный процесс (2 – процесс) (б)
В работе рассматриваются только субгармонические типы процессов, поэтому mпринимает только целочисленные значения (m=1, 2, …). В частности, частота f1 =1/T (m=1) соответствует синхронному процессу. Существования m¹1 типов процессов обусловлено нелинейностью динамики. Причины потери устойчивости m=1 типа процесса обусловлены функционированием современных ИСПЭ в условиях широких диапазонов изменения их внутренних параметров и параметров окружающей среды. Примерами возможных причин потери устойчивости являются изменение нагрузки, исходный разброс параметров относительно паспортных номинальных значений, температуры окружающей среды, электромагнитные взаимодействия, нарушения в электропитании и т. п. [3]
В качестве базового инструмента определения периода процессов импульсного преобразования энергии используется отображения Пуанкаре.
Способ идентификации типа динамического процесса импульсного преобразования энергии состоит из трех этапов: формирование отображение Пуанкаре; кластеризация полученных данных; анализ и формирование решения.
Для формирования диаграммы Пуанкаре, сначала производим выборку значений тока из временного ряда, полученного при определенном значении коэффициента П-звена (α). Выборка производится по наступлению определённого события, а именно по спаду коммутационной функции (Kf). Пример временного ряда с выборкой данных представлен на рисунке 3, где квадратными маркерами отмечены значения тока, выбранные по фронту Kf.
Рисунок 3 – Токовая диаграмма импульсного понижающего преобразователя энергии
Полученные данные представляются в виде отображения Пуанкаре. Диаграмма, полученная в момент бифуркации, представлена на рисунке 4.
Рисунок 4 – Результат построения диаграммы Пуанкаре в момент бифуркации
Алгоритм выполнения идентификации технологического процесса ИСПЭ представляет собой три этапа.
На первом этапе производится оценка шумовой составляющей исходного сигнала. Оценка шумовой [4] составляющей производится по следующему алгоритму.
На первом шаге выполняется определение, с требуемой точностью, рабочей частоты ШИМ (Fшим). Поиск производится в окрестности рабочей частоты 14 кГц. Результат выполнения первого этапа представлен на рисунке 5.
Рисунок 5 – Результат определения рабочей частоты ШИМ
На втором шаге проводится оценка шумового загрязнения сигнала. Для оценки уровня шума проводится исследование полученной спектрограммы на интервале (2×Fшим и 3×Fшим) (28 кГц; 42 кГц). Выбор этого диапазона обусловлен тем, что после обработки сигнала ФНЧ амплитуды гармоник с частотами более 42 кГц становятся несущественными.
Алгоритм применяются во всем диапазоне варьирования нагрузок (Rn) (2…50 Ом) и параметра П-звена (α) (1…80). Результат выполнения сохраняется в таблицу.
В результате на основании полученной таблицы, определяется максимальный уровень шума оборудования, как максимальное значение в таблице.
Полученный уровень шума используется как критерий оценки типа технологического процесса.
На втором этапе из исходного сигнала производится выборка анализируемых данных. Выборка производится по наступлению определенного события, а именно по фронту коммутационной функции.
На третьем этапе производится кластеризация данных диаграммы Пуанкаре и идентификация типа процесса.
В качестве алгоритма кластеризации выбран алгоритм k-средних, так как этот алгоритм удовлетворяет требованиям вычислительной сложности, эффективности при реализации на промышленных микроконтроллерах. В качестве меры близости в алгоритме k-средних используется Евклидово расстояние.
Согласно алгоритма k-средних входной массив данных диаграммы Пуанкаре разделяется на два кластера, K1 и K2 соответственно. После чего производится вычисление центров полученных кластеров (OK1 и OK2) и расстояния между ними (d). Расстояние между центрами кластеров вычисляется согласно формуле расстояния Евклида: . Результат работы представлен на рисунке 6.
Рисунок 6 – Результат выполнения алгоритма k-средних
Для идентификации процесса используется следующий критерий – если расстояние между центрами кластера превышает уровень шума, вычисленный на первом этапе, то это состояние идентифицируется, как неэксплуатационный процесс. Результат представлен на рисунке 7.
Рисунок 7 – Определение точки возникновения неэксплуатационного режима
About the authors
Dmitry O. Tey
Yugra State University
Author for correspondence.
Email: teyd@mail.ru
Candidate of Technical Sciences, Associate Professor of the Department of Automated Control Systems and Information Processing, Institute of Control Systems and Information Technology, Yugra State University
Russian Federation, 16, Chehova street, Khanty-Mansiysk, 628012Evgeniy A. Godovnikov
Yugra State University
Email: teyd@mail.ru
Candidate of Technical Sciences, Associate Professor of the Department of Automated Control Systems and Information Processing, Institute of Control Systems and Information Technology, Yugra State University
Russian Federation, 16, Chehova street, Khanty-Mansiysk, 628012Artem V. Gusakov
Yugra State University
Email: artyom.gusakov@gmail.com
Head of the Laboratory of Control Systems and Information Technology, Institute of Control Systems and Information Technology, Yugra State University
Russian Federation, 16, Chehova street, Khanty-Mansiysk, 628012Nizam D. Keramov
Yugra State University
Email: artyom.gusakov@gmail.com
Engineer of Laboratory of Control Systems and Information Technology, Institute of Control Systems and Information Technology, Yugra State University
Russian Federation, 16, Chehova street, Khanty-Mansiysk, 628012Ruslan T. Usmanov
Yugra Scientific Research Institute Information Technologists
Email: artyom.gusakov@gmail.com
Programmer Information Processing Center, Yugra Scientific Research Institute Information Technologists
Russian Federation, 151, Mira street, Khanty-Mansyisk, 628011References
- Моновская, А. В. Прогнозирование опасных ситуаций в динамике импульсных систем преобразования энергии в режиме реального времени : дис. … к. техн. н. [Текст] / А. В. Моновская. – Орел, 2005. – 121 с.
- Моновская, А. В. Прогнозирование аварийных состояний в автоматизированных импульсных системах преобразования энергии : дис. … д. техн. н. [Текст] / А. В. Моновская. – Ханты-Мансийск, 2010. – 333 с.
- Колоколов, Ю. В. Симметричные закономерности в нелинейной динамике гистерезисных регуляторов с двойной синхронизацией и адаптацией уставки [Текст] / Ю. В. Колоколов, А. В. Моновская, Д. О. Тей // Электротехнические комплексы и системы управления. – 2012. – № 2 (июнь). – С. 14–23.
- Тей, Д. О. Идентификация аварийных процессов в импульсных системах преобразования энергии в режиме реального времени [Текст] / Д. О. Тей, А. В. Гусаков, Н. Д. Керамов // Научное обозрение. – 2014. – № 10, ч. 1. – С. 73–78.
Supplementary files









