Intelligent voltage regulation system in the distribution electrical network based on fuzzy logic
- Authors: Rysev P.V.1, Peshko M.S.1, Shepelev A.O.2
-
Affiliations:
- Omsk State University
- Yugra State University
- Issue: Vol 18, No 3 (2022)
- Pages: 107-117
- Section: Electrical Power Engineering
- Published: 08.10.2022
- URL: https://vestnikugrasu.org/byusu/article/view/111784
- DOI: https://doi.org/10.18822/byusu202203107-117
- ID: 111784
Cite item
Full Text
Abstract
The paper considers the issues of voltage regulation in the distribution network. The possibility of using fuzzy logic implemented in a fuzzy controller for voltage control is shown.
The purpose of the study: to increase the resource of switches of voltage regulators of power transformers when controlling voltage and reactive power modes of distribution electrical networks.
Subject of research: the introduction of a fuzzy controller in the voltage level control system in the distribution electrical network.
Methods and objects of research: the study was conducted using numerical simulation, fuzzy logic methods. The objects of the study were the distribution electrical network as well as power transformers equipped with voltage regulators, adjustable compensating devices working together under the control of a fuzzy controller.
Results of research: based on the conducted experiments, it was shown that the joint use of voltage regulation means (transformers, compensating devices) in the distribution electrical network when controlling a fuzzy controller allows to increase the resource and extend the service life of transformer switching devices.
Full Text
Введение
Задача оптимального регулирования напряжения в распределительных электрических сетях является одной из самых важных в процессе эксплуатации. Напряжение напрямую влияет на технико-экономические показатели сети через условно-постоянные и нагрузочные потери в сетевых элементах; электрооборудования производств, основу электроприемников которых составляют асинхронные двигатели, вращающий момент которых пропорционален квадрату напряжения.
Возможности регулирования напряжения в распределительных электрических сетях в сравнении с сетями более высокого уровня ограничены и могут быть разделены на две основные группы: централизованное, когда регулирование осуществляется в центре питания и местное, когда регулирование осуществляется в непосредственной близости от электроприемников [1, 2].
При централизованном регулировании напряжения в сети в центрах питания (ЦП) изменяют коэффициент трансформации kтр. В этом режиме напряжение в начале линии может достигать наибольшего рабочего значения, а на зажимах электроприемников быть недопустимо низким, то есть средств централизованного регулирования недостаточно для качественного управления напряжением.
В таких случаях вместе с централизованным регулированием применяют и местное регулирование коэффициента трансформации. Зачастую когда диапазона регулирования коэффициента трансформации недостаточно для обеспечения требуемого уровня напряжения, используют вольтодобавочные трансформаторы и компенсирующие устройства (КУ).
Для целей регулирования напряжения могут использоваться трансформаторы с возможностью изменения коэффициента трансформации в реальном масштабе времени (устройство регулирования напряжения под нагрузкой «РПН»), так и трансформаторы не имеющие такой возможности, допускающие только сезонное регулирование – трансформаторы с переключением без возбуждения «ПБВ».
Регулировочный диапазон для трансформаторов с ПБВ изменяется в пределах ±2×2,5 %, для РПН он может достигать ±16%, а для регулировочных трансформаторов ±25%.
На практике стремятся в первую очередь обеспечить уровни напряжения в узлах распределительной сети за счет средств централизованного регулирования; местное используют как вспомогательное средство.
Однако, такой подход имеет недостатки.
Устройства РПН трансформаторов представляют собой сложной электромеханический агрегат (рисунок 1 а), который оказывает существенное влияние на надежность трансформаторного оборудования (рисунок 1 б).
Рисунок 1 – Устройство РПН (а) и распределение отказов силовых трансформаторов 110 кВ по элементам конструкции (б) [3]
При регулировании напряжения устройствами РПН их ресурс, который обычно составляет 100 тыс. переключений, расходуется и возрастают износовые отказы РПН.
Учитывая, что в электросетевом комплексе России работает свыше 14000 силовых трансформаторов 35 и 110 кВ [4], значительная часть которых находится на грани исчерпания ресурса, то задача минимизации износа переключателей силовых трансформаторов при напряжения в распределительных электрических сетях на оптимальном уровне является актуальной.
Результаты и обсуждение
В данной работе предпринята попытка повышения эффективности регулирования напряжения путем совместного использования средств централизованного и местного регулирования напряжения на применения нечеткой логики.
Нечеткая логика как принцип управления была выбрана ввиду необходимости учитывать не только характеристики электрического режима сети (уровни напряжения, потери электроэнергии и т. д.), но и износ переключателей трансформаторов.
Нечеткая логика позволяет достаточно удобно реализовать порядок действий реального оператора, учитывая его опыт работы при различных режимных ситуациях.
В качестве объекта рассмотрим распределительную электрическую сеть напряжением 6 кВ, которая получает питание через трансформаторную подстанцию 110/6 кВ, оснащенную трансформаторов ТДН-16000/110.
Первым этапом было определение границ регулирования напряжения.
Для этого было произведено моделирование электрической сети в программе RASTRWIN 3 (рисунок 2).
Рисунок 2 – Окно программы RASTRWIN 3
При моделировании были определены границы диапазона регулирования напряжения в центре питания, которые составили: ∆U=5,69 кВ – 6,235 кВ, просчитаны режимы максимальных и минимальных нагрузок.
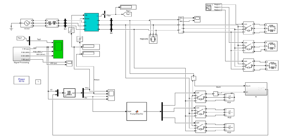
Используя результаты моделирования в RASTRWIN 3 была создана Simscape модель. Поскольку режимы электрической сети были рассчитаны в RASTRWIN 3, то в Simscape достаточно было реализовать центр питания.
На рисунке 3 представлена Simscape модель центра питания.
Рисунок 3 – Simscape модель центра питания
Эта модель позволяет задавать электрическую нагрузку (постоянную во времени и в виде графиков нагрузки), напряжение питающей сети (стабильное во времени или в виде графика изменения), осуществлять регулирование коэффициента трансформации силового трансформатора и компенсирующих устройств.
В блок OTLC, моделирующий силовой трансформатор с РПН введены данные, соответствующие ТДН-16000/110:
Sном =16000 кВА, R1=R2=0,0027 о.е., X1=X2=0,0525 о.е., Rm=842,1 о.е., Xm=142,9 о.е.
Параметры РПН: число ступеней: ± 9; общее количество ступеней – 19; шаг регулирования: 1,78 %; заданный уровень напряжения: 1,05 о.е.; зона нечувствительности: 0,0214 о.е.; время переключения: 3 с.; выдержка времени между переключениями: 60 с.
Электрическая нагрузка задается блоками «nagruzka» (постоянная величина); блоком «signal builder», в котором моделируется переменная во времени нагрузка с помощью трех графиков, вид которых можно редактировать.
В рассматриваемом случае было решено использовать централизованную компенсацию, разместив все управляемые источники реактивной мощности в центре питания, подключив к шинам 6 кВ.
Управление ступенями компенсирующих устройств осуществляется с помощью нечеткого регулятора (рисунок 3), реализуемого с помощью Simulink блока Fuzzy.
Рассмотри подробнее настройку нечеткого регулятора.
Исходя из необходимой информации для принятия решений и технических особенностей системы определяем входы и выходы регулятора.
Входами регулятора являются напряжение на вторичной обмотке силового трансформатора и информационный сигнал о количестве подключенных секций компенсирующего устройства.
В качестве выходов регулятора приняты сигналы на переключение РПН в сторону увеличения и в сторону уменьшения отпаек, а также сигнал управления секциями компенсирующего устройства (рисунок 4).
Рисунок 4 – Структура нечеткого регулятора
Для настройки нечеткого регулятора была произведена процедура фаззификации, результаты которой для двух входных переменных приведены в таблицах 1, 2.
Входной параметр «напряжение» был разделен на 5 термов (таблица 1), параметр «включенные КУ» – на 4 (таблица 2).
Диапазоны изменения параметров в рамках термов были определены исходя из моделирования распределительной сети в RASTRWIN 3.
Таблица 1 – Результаты фаззификации параметра «напряжение»
Описание | Терм | U, кВ | U, о.е. |
Минимальное | n | < 5,69 | < 0,948 |
Немного пониженное | sn | 5,69…5,987 | 0,948…0,998 |
Нормальное | z | 5,925…6,05 | 0,988…1,008 |
Немного повышенное | sp | 5,987…6,235 | 0,998…1,039 |
Максимальное | p | > 6,235 | > 1,039 |
Таблица 2 –Результаты фаззификации параметра «включенные КУ»
Описание | Терм | Значение |
Не подключено | n | < 0,2 |
Одно КУ | on | 0,2…1,2 |
Два КУ | tw | 1,2…2,2 |
Три КУ | th | > 2,2 |
Визуализация фаззификации выполнена с помощью функций принадлежности, в качестве которых для входных параметров были выбраны треугольные функции, для выходных – треугольные и трапецеидальные (рисунки 5–7).
Рисунок 5 – Функции принадлежности переменной U2
Рисунок 6 – Функции принадлежности переменной ik
Рисунок 7 – Функции принадлежности переменной KU
На основании личного опыта, результатов моделирования в ПТК RASTRWIN 3 и задач управления сформирована база правил (рисунок 8).
Рисунок 8 – База правил. Окно редактора
Основной задачей, решаемой при создании базы правил, было снижение количества переключений РПН трансформатора. Это достигалось за счет включения и отключения секций компенсирующих устройств.
В данном примере было рассмотрено компенсирующее устройство, включающее три секции.
Таким образом, у компенсирующего устройства всего 4 положения – «Отключено», «Включена 1 ступень», «Включены 2 ступени», «Включены 3 ступени».
С одной стороны, это несколько снижает гибкость системы регулирования напряжения, но с другой – позволяет сделать базу правил весьма компактной (17 правил), что положительно сказывается на быстродействии и безотказности работы системы.
Графически правила представлены на рисунке 9.
Рисунок 9 – База правил. Окно просмотра
При моделировании работы системы регулирования напряжения были проведены численные эксперименты с различными диапазонами изменения возмущений – параметров питающей сети, нагрузки распределительной сети при использовании нечетного регулятора и без его применения.
Графики изменения переменных приведены на рисунках 10–12.
Рисунок 10 – Изменение положений переключателя, мощностей и напряжения без действия контролера
Рисунок 11 – Изменение положений переключателя, мощностей и напряжения при действии контролера
Рисунок 12 – Изменение напряжения на входе и выходе силового трансформатора при действия контролера
Из результатов моделирования видно, что включение компенсирующих устройств оказывает влияние на уровни напряжения на стороне НН центра питания и количество переключений РПН трансформатора.
В случае незначительных флуктуаций питающего напряжения и нагрузки компенсирующих устройств может вполне оказаться достаточно для регулирования напряжения.
Однако, при резких колебаниях напряжения и нагрузки выполнить регулирование напряжения, не используя РПН не представляется возможным. Кроме того, КУ позволяют производить регулирование в рамках доступного им диапазона изменения мощности, который ограничивается потребляемой реактивной мощностью нагрузки.
Вместе с тем, удалось показать, что комплексное регулирование, при котором производится управление не только РПН, но и КУ, позволяет уменьшить количество переключений анцапф РПН, а значит увеличить его ресурс.
Заключение и выводы
Достоинствами применения подхода, использованного в работе, являются возможность применять как жесткую, так и гибкую логику, быстро перенастраивать нечеткий регулятор, копируя в его память новую базу правил, т.е. система становится более гибкой.
Увеличение роли компенсирующих устройств в регулировании напряжения при управлении нечетким регулятором, позволило существенно сократить количество переключений РПН (на 37 % для «спокойного графика»), повысить быстродействие системы управления напряжением.
Также, побочным эффектом применения дополнительной компенсации реактивной мощности является снижение потерь мощности и энергии в трансформаторах центра питания и в питающей сети.
Вместе с тем необходимо отметить, что применяемый подход имеет ограничения, связанные с величиной реактивной мощности, потребляемой нагрузкой сети, а также ограничения, накладываемые требованиями устойчивости узлов электрической нагрузки.
При выбранном подходе данные ограничения должны определяться при моделировании рассматриваемой сети в специализированном программном обеспечении и учитываться в процессе фаззификации и создании базы правил.
About the authors
Pavel V. Rysev
Omsk State University
Author for correspondence.
Email: rysev_pavel@list.ru
Candidate of Technical Sciences, Assistant Professor
Russian Federation, OmskMikhail S. Peshko
Omsk State University
Email: necheat@mail.ru
Candidate of Technical Sciences, Assistant Professor
Russian Federation, OmskAlexander O. Shepelev
Yugra State University
Email: a_shepelev@ugrasu.ru
Candidate of Technical Sciences, Assistant Professor
Russian Federation, Khanty-MansiyskReferences
- Ананичева, С. С. Электроэнергетические системы и сети : учебное пособие / С. С. Ананичева, С. Н. Шелюг. – Екатеринбург, 2019. – 296 с. – URL: https://elar.urfu.ru/
- bitstream/10995/76274/1/978-5-7996-2638-9_2019.pdf (дата обращения: 15.07.2022).
- Идельчик, В. И. Электрические системы и сети : учебник для вузов / В. И. Идельчик. – Москва : Энергоатомиздат, 1989. – 592 с.
- Анализ повреждаемости трансформаторов мощностью 16 и 25 МВА класса напряжения 110 кВ. – Текст : электронный // ПУЭ8. –URL: https://pue8.ru/elektricheskie-seti/623-analiz-povrezhdaemosti-transformatorov-moshchnostyu-16-i-25-mva-klassa-napryazheniya-110-kv.html (дата обращения: 04.08.2022).
- ПАО «Россети» в цифрах. – Текст : электронный ресурс // Проект РЗА. – UR: https://pro-rza.ru/pao-rosseti-v-tsifrah/#:~:text=То%20есть%20количество%20ПС%2035-110,110%20кВ%20около%2010000%20штук (дата обращения: 04.08.2022).
- ГОСТ 32144-2013. Электрическая энергия. Совместимость технических средств электромагнитная. Нормы качества электрической энергии в системах электроснабжения общего назначения : межгосударственный стандарт : утвержден и введен в действие приказом Федерального агентства по техническому регулированию и метрологии от 22 июля 2013 г. № 400-ст. : дата введения 2014-07-01. – Москва : Стандартинформ, 2014. – 16 с. – Текст : непосредственный.
- RASTRWIN. – URL: https://www.rastrwin.ru (дата обращения: 10.08.2022). – Текст : электронный.
- Пешко, М. С. Системы интеллектуального управления на базе нечеткой логики с использованием пакета Fuzzy Logic Toolbox программного обеспечения Matlab/Simulink : методические указания к лабораторным работам / М. С. Пешко. – Омск : ОмГТУ, 2019. – 1 o=эл. опт. диск (CD-ROM). – Текст : электронный.
Supplementary files















